EasyManua.ls Logo

Siemens SIRIUS 3RW44 - Soft Starter with Star-Delta Starter as Emergency Start (3 RW44 in a Standard Circuit)

Siemens SIRIUS 3RW44
262 pages
To Next Page IconTo Next Page
To Next Page IconTo Next Page
To Previous Page IconTo Previous Page
To Previous Page IconTo Previous Page
Loading...
Circuit Examples
SIRIUS 3RW44 manual
9-22 GWA 4NEB 535 2195-02 DS 06
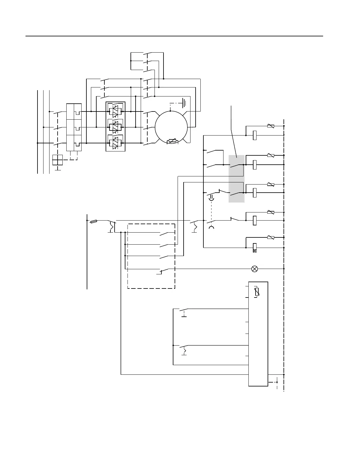
9.1.18Soft Starter with Star-Delta Starter as Emergency Start (3RW44 in a Standard Circuit)
1) For permissible main and control voltage values, refer to Technical Data, pages 10-12 to 10-16.
6WDUW
6WRS
6RIW
VWDUWHU
$
1
3(
3(
/ / ,1 ,1 ,1 ,1 7 7
4
)
$
4







 
8
$
$
8
$
$
$
$
8
$
$
8
$
$
+
6 6
4 4 4
44
4
4 4
4
.
8
$
$
.
/
4
6
6
˽
0RWRUULJKW36
1RDFWLRQ
1RDFWLRQ
1RDFWLRQ
*URXSHUURU
IL[HG
DOORFDWLRQ
13(9$&

+]
6WDUW6WRS
VWDUGHOWDVWDUW
)DXOW
6WDUGHOWD
VZLWFKLQJWLPH
6WDUFRQWDFWRU
'HOWDFRQWDFWRU
0DLQFRQWDFWRU
%\SDVVFRQWDFWRU
DQGLQWHUORFN
6RIWVWDUWVWDU
GHOWDVWDUW
,QWHUORFN
6HOHFWLRQVZLWFK
6RIWVWDUW
6WDUGHOWDVWDUW
,QSXW
WKHUPLVWRU
SURWHFWLRQ
2QWLPH
2QWLPH
7ULS5HVHW

4
4
0
3(
8:
0
a
/
/
/
/ / /
7 7 7
8:
9
9
4 4 4
4
I >> I >> I >>
˽

13(9$&

+]
5HVHW

Table of Contents

Other manuals for Siemens SIRIUS 3RW44

Related product manuals