EasyManua.ls Logo

THERMACUT EX-TRACK - Page 43

Default Icon
121 pages
Print Icon
To Next Page IconTo Next Page
To Next Page IconTo Next Page
To Previous Page IconTo Previous Page
To Previous Page IconTo Previous Page
Loading...
EX-TRACK
®
Operator Manual, Revision T-1 43
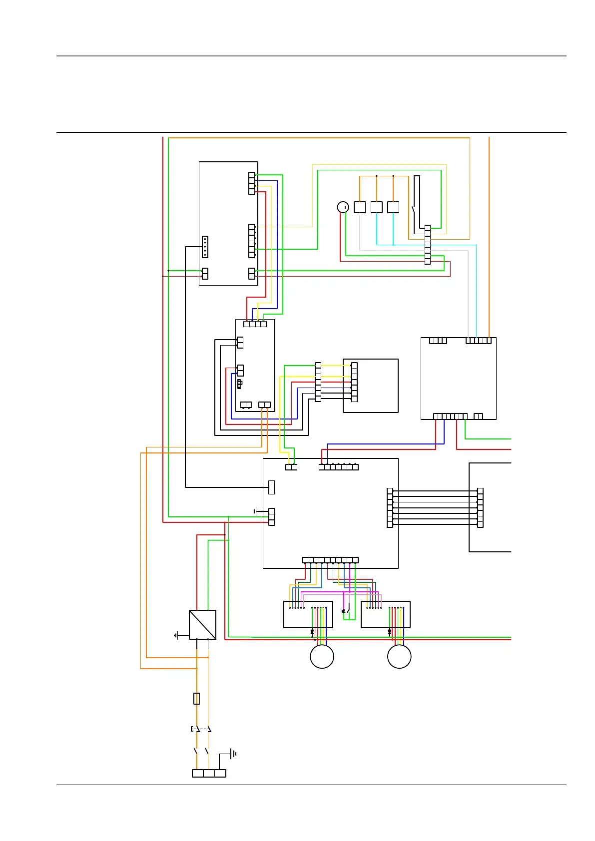
8. CIRCUIT DIAGRAM
SECTION 8.
CIRCUIT DIAGRAM:
PUL+
PUL-
DIR+
DIR-
ENA+
ENA-
GND
V+
A+
A-
B+
B-
X Axis drive
X轴电机
PUL+
PUL-
DIR+
DIR-
ENA+
ENA-
GND
V+
A+
A-
B+
B-
Y Axis drive
Y轴电机
脱机按钮
脱机按钮指示灯
1
X AXIS DIR+
9
X AXIS DIR-
2
X AXIS PUL+
10
X AXIS PUL-
3
11
4
12
7
5V+
8
GND
Y AXIS DIR+
Y AXIS DIR-
Y AXIS PUL+
Y AXIS PUL-
1
DC24V
2
0V
3
GND
1
Preheat
14
2
15
3
16
Plasma ARC On
18
THC Auto
Cut Oxygen
Torch Up
Torch Down
Ignition
4
OK
to move
INPUT
OUTPUT
POWER
1
24V
9
10
11
12
13
I12
8
/15
24V GND
I8
I9
I10
I11
1
24V
9
10
11
12
13
I12
8
/15
24V GND
I8
I9
I10
I11
Wireless reception module
24V
0V
AC220V
AC220V
2
Plasma Start
1
Plasma Start
5
ARC+
6
ARC-
1:50
3
4
Plasma torch switch
6
5
3
4
201
203
M
3
4
6
7
2
5
1
Z0
Preheat solenoid valve
Cut solenoid valve
Gas solenoid valve
Elevator motor
Plasma source
Control unit
SF-2100C
Control system
Switching power supply
1
2
3
KV3
KV2
KV1
FU1 3A
*AC220V
AC110V
DC24V
+
-
Power
swicth
E-Stop
24V
0V
AC220V/AC110V
ARC-
ARC+
1:1
2
ARC+
1
ARC-
1:50
12
14
12
Ok to move
14
Ok to move
Plasma torch switch
1:50
AC220V/AC110V
3
ARC OUT
2
Vint
1
24V-
4
24V+
0V
24V+
Motor-
Motor+
Zero
24V-
ARC OUT
Vint
24V-
24V+
403
405
L
N
L1
N1
L2
N2
V+
V-
250V
Comm
Communication cable
Divider
THC Control board
Remote

Table of Contents

Related product manuals