EasyManua.ls Logo

WinGD X72-B - Turbocharger Cut out Procedure: Illustration 2

Default Icon
526 pages
Print Icon
To Next Page IconTo Next Page
To Next Page IconTo Next Page
To Previous Page IconTo Previous Page
To Previous Page IconTo Previous Page
Loading...
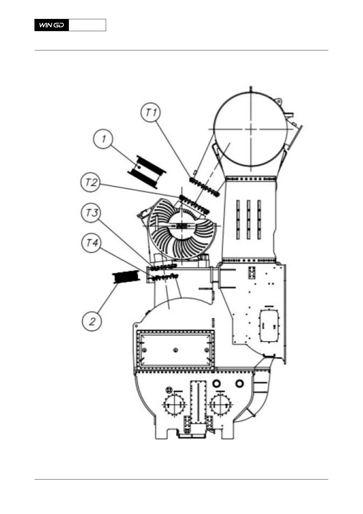
Fig 10-16 Turbocharger cut out procedure: Illustration 2
X72-B
AA00-0000-00AAB-100A-A
Operation Manual Special running condition: Turbocharger cut out
Winterthur Gas & Diesel Ltd.
- 472 - Issue 003 2021-12

Table of Contents

Related product manuals