EasyManua.ls Logo

WinGD X72DF - Page 379

WinGD X72DF
902 pages
Print Icon
To Next Page IconTo Next Page
To Next Page IconTo Next Page
To Previous Page IconTo Previous Page
To Previous Page IconTo Previous Page
Loading...
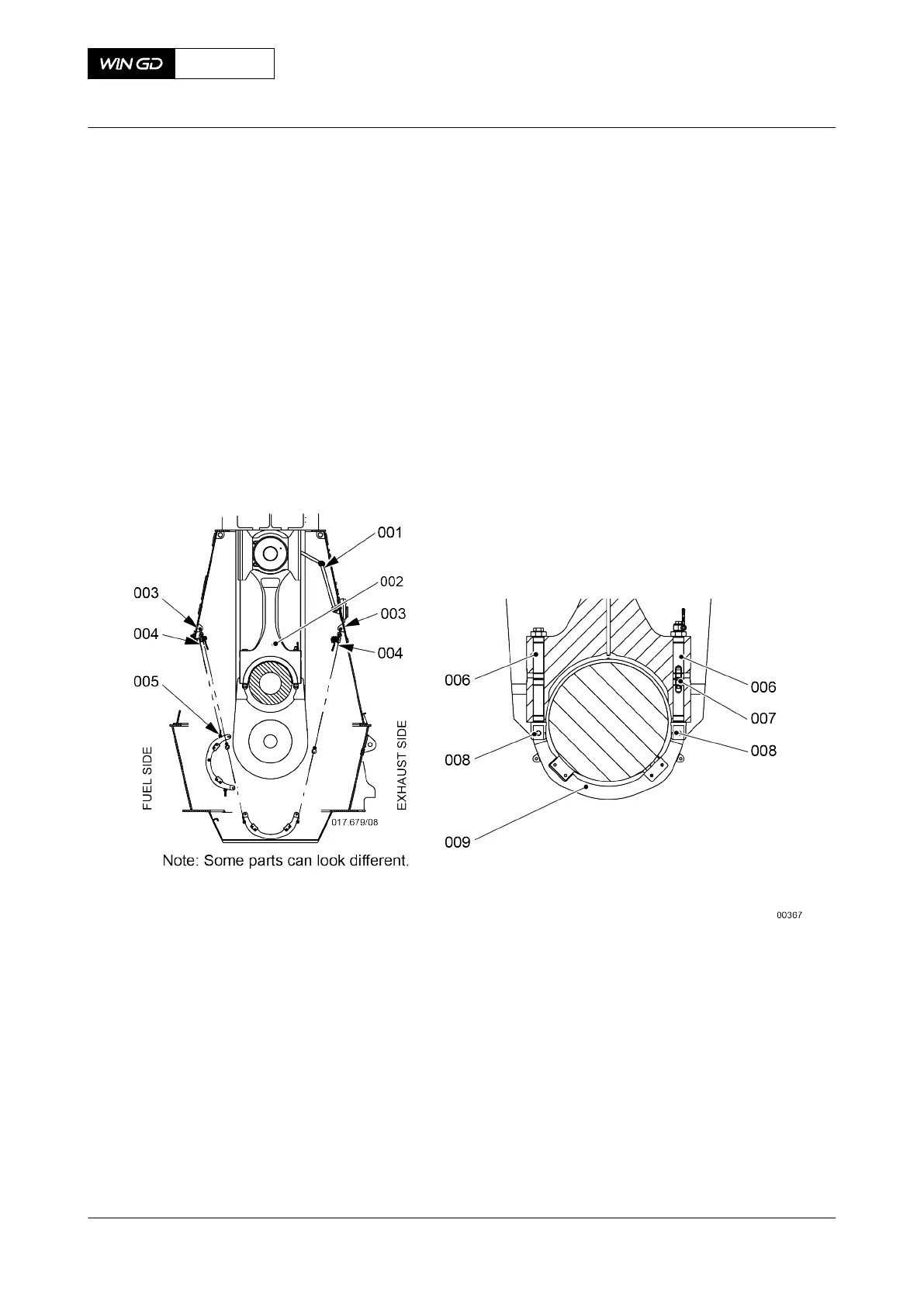
PROCEDURE
1 Attach two shackles (003, Figure 8-17) to the column.
2 Attach the two lever chain hoists (004) to the shackles (003).
3 Attach the two lever chain hoists (004) to the shackles (005) on the tool connecting rod
(009).
4 Apply Molyslip copaslip to the thread of the bolts (007).
5 Put the rods (006) into the connecting rod (002).
6 Operate the manual ratchets (004) to lift the tool (009) into position on the rods (006).
7 Tighten the nuts and bolts (008).
8 Torque the rods (006) to the correct value, refer to section 16.1 Tightening instructions.
Fig 8-17 Connecting rod
9 Operate the turning gear and lever chain hoists to lower the crosshead to BDC.
10 Attach the stop plate (002, Figure 8-18) to the bearing cover.
11 Attach the eye bolt (001) to the guide shoe.
X72DF
AA00-3303-00AAA-523A-A
Maintenance Manual Connecting rod - prepare before removal
Winterthur Gas & Diesel Ltd.
- 379 - Issue 002 2020-10

Table of Contents

Other manuals for WinGD X72DF

Related product manuals