EasyManua.ls Logo

wsm L3301 - Shift Linkage (L3301;L3901); System of PTO Clutch (L4701)

wsm L3301
662 pages
Print Icon
To Next Page IconTo Next Page
To Next Page IconTo Next Page
To Previous Page IconTo Previous Page
To Previous Page IconTo Previous Page
Loading...
TRANSMISSION
L3301, L3901, L4701, WSM
3-M12
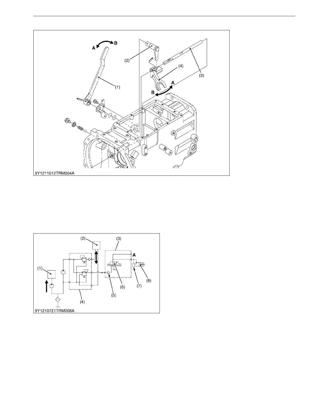
(2) Shift Linkage (L3301/L3901)
The PTO shift lever (1) to the PTO shift fork (4) are connected by the PTO shift range arm (2) as shown in the
figure above.
When the PTO shift lever (1) is moved to the "A" side or the "B" side, the PTO shift fork (4) is moved by means
of the PTO shift lever (1).
When the PTO shift lever (1) is moved to the "A" side, the PTO is shifted to the "Disengaged" position.
When the PTO shift lever (1) is moved to the "B" side, the PTO is shifted to the "Engaged" position.
9Y1211012TRM0013US0
(3) System of PTO Clutch (L4701)
The pressured oil adjusted by the regulator valve
flows into the PTO clutch valve (6).
When the PTO clutch control switch is at the "ON"
position, PTO clutch solenoid valve is opened and the oil
flows through the PTO clutch valve (6) to the
accumulator (7) and the PTO clutch pack (8) to engage
it.
9Y1211012TRM0012US0
(1) PTO Shift Lever
(2) PTO Shift Range Arm
(3) PTO Fork Rod
(4) PTO Shift Fork
A: Disengaged
B: Engaged
(1) 3P Hydraulic Control Valve
and Cylinder
(2) Power Steering Controller
and Cylinders
(3) PTO Valve
(4) Regulator
(5) Check Valve
(6) PTO Clutch Valve
(7) Accumulator
(8) PTO Clutch Pack
A: PTO Clutch Operating
Pressure Check Port
KiSC issued 09, 2016 A

Table of Contents

Related product manuals