EasyManua.ls Logo

wsm L3301 - 3 Engine Starting System and Stopping; Starting Circuit

wsm L3301
662 pages
Print Icon
To Next Page IconTo Next Page
To Next Page IconTo Next Page
To Previous Page IconTo Previous Page
To Previous Page IconTo Previous Page
Loading...
ELECTRICAL SYSTEM
L3301, L3901, L4701, WSM
9-M13
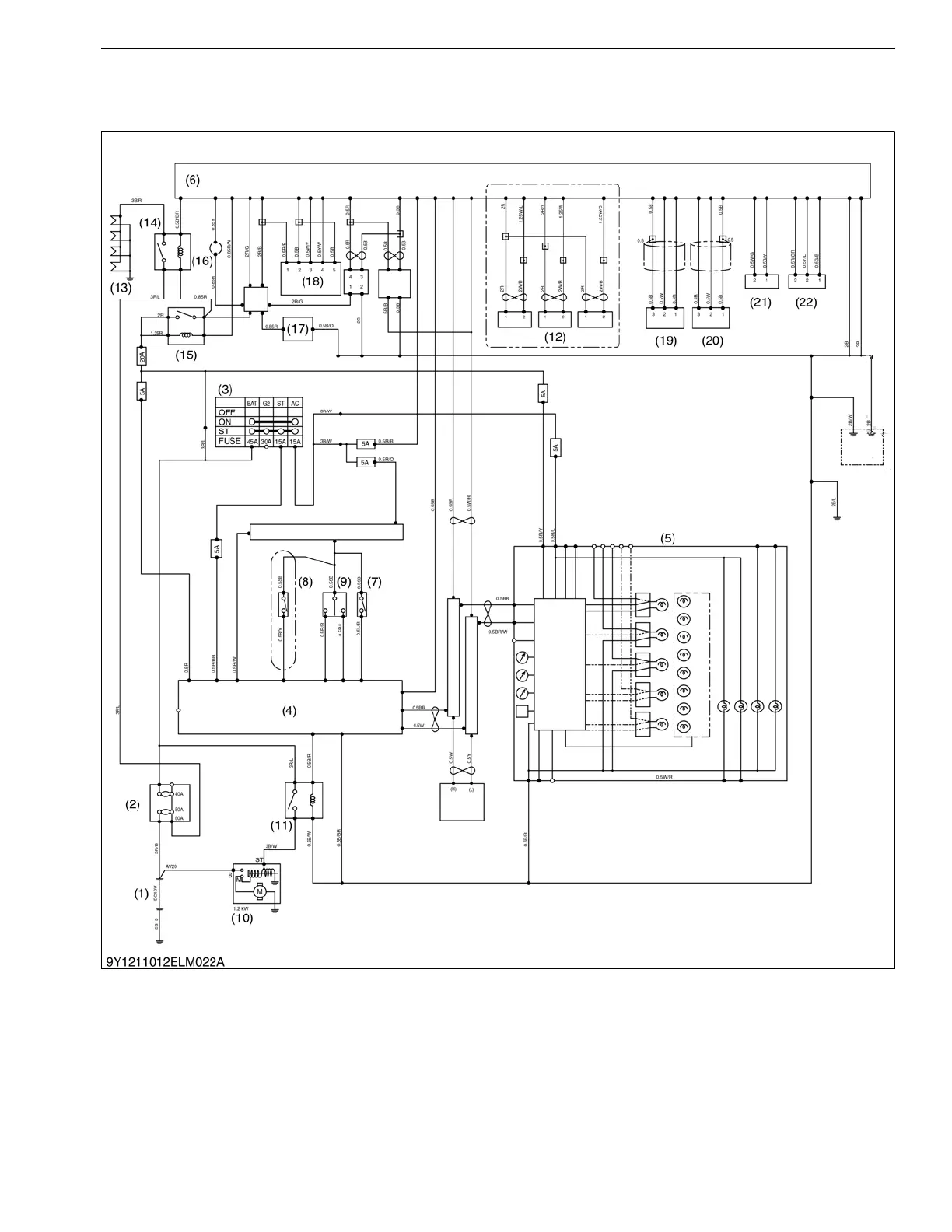
3. ENGINE STARTING SYSTEM AND STOPPING
[1] STARTING CIRCUIT
9Y1211012ELM0031US0
(1) Battery
(2) Slow Blow Fuse
(3) Key Switch
(4) Main ECU
(5) Instrument Panel
(6) Engine ECU
(7) PTO Switch
(8) Shuttle Switch / HST Pedal
Switch
(9) Seat Switch
(10) Starter
(11) Starter Relay
(12) Injectors
(13) Glow Plug
(14) Glow Relay
(15) Engine Relay
(16) Supply Pump
(17) Electromagnetic Fuel Pump
(18) Air Flow Sensor
(19) Crank Shaft Sensor
(20) Cam Shaft Sensor
(21) Coolant Temperature Sensor
(22) Rail Pressure Sensor
KiSC issued 09, 2016 A

Table of Contents

Related product manuals