EasyManua.ls Logo

wsm L3301 - Hydraulic Pump; Safety Valve

wsm L3301
662 pages
Print Icon
To Next Page IconTo Next Page
To Next Page IconTo Next Page
To Previous Page IconTo Previous Page
To Previous Page IconTo Previous Page
Loading...
HYDRAULIC SYSTEM
L3301, L3901, L4701, WSM
8-M14
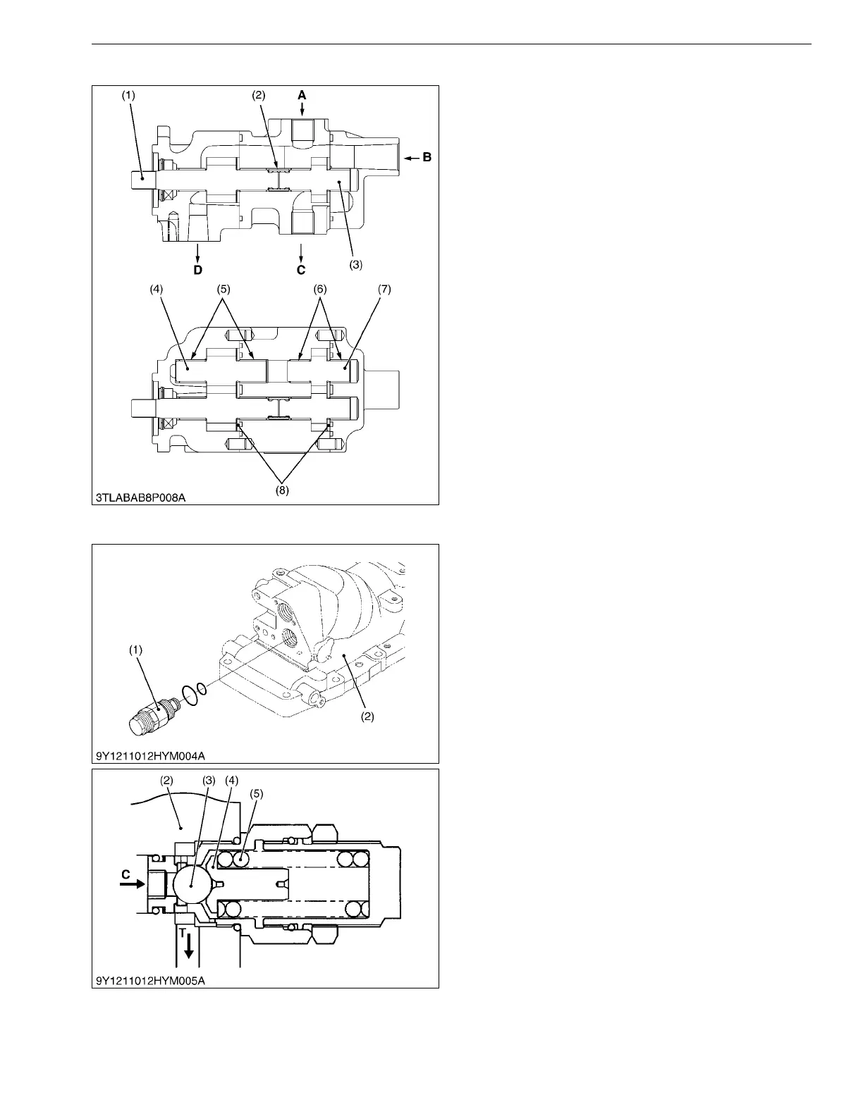
[5] HYDRAULIC PUMP
The gear type hydraulic pump is adopted for these
models. This pump is called as tandem type and
composed two pair of gears, side plates, bushings and
other components as shown in the figure.
The hydraulic pump pressurize oil from transmission
case through oil filter and send the oil to power steering
circuit and main hydraulic circuit.
9Y1211012HYM0017US0
[6] SAFETY VALVE
The cylinder safety valve (1) is equipped on the
hydraulic cylinder assembly (2).
These models use a direct acting safety valve which
is suitable for less frequent operation.
This valve operates to prevent damage to three point
hydraulic system components only in case shock
pressure is caused. For example, bouncing of heavy
implements.
If pressure in the hydraulic cylinder (2) becomes too
large, oil pressure pushes ball (3), valve seat (4) and
compress the spring (5). The oil in the hydraulic cylinder
flows to transmission case through the T port.
9Y1211012HYM0018US0
(1) Drive Gear 1
(2) Coupling
(3) Drive Gear 2
(4) Driven Gear 1
(5) Bushing
(6) Bushing
(7) Driven Gear 2
(8) Side Plate
A: From Power Steering
Controller (Manual
Transmission Type)
From Oil Cooler
(HST Type)
B: From Transmission Case
C: To Power Steering
Controller
D: To Main Hydraulic Circuit
(1) Cylinder Safety Valve
(2) Hydraulic Cylinder Assembly
(3) Ball
(4) Valve Seat
(5) Spring
C: C port
(From Hydraulic Cylinder)
T: T port
(To Transmission Case)
KiSC issued 09, 2016 A

Table of Contents

Related product manuals