EasyManua.ls Logo

wsm L3301 - Page 305

wsm L3301
662 pages
Print Icon
To Next Page IconTo Next Page
To Next Page IconTo Next Page
To Previous Page IconTo Previous Page
To Previous Page IconTo Previous Page
Loading...
TRANSMISSION
L3301, L3901, L4701, WSM
3-M31
L4701
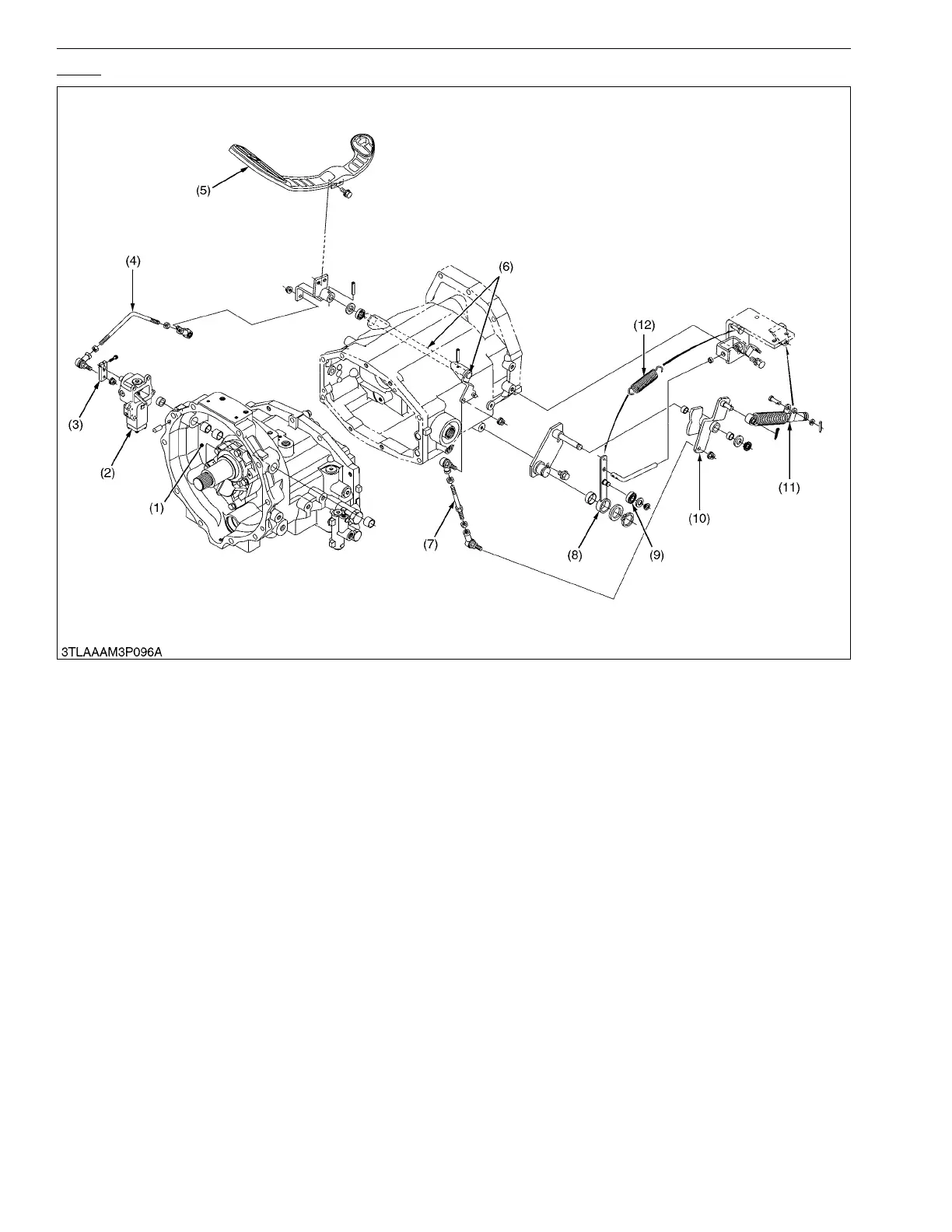
The speed control pedal (HST pedal) (5) and the regulator valve assembly (2) are linked with the pedal bracket
and HST control rod (4). And HST pedal (5) and the neutral holder arm (10) are linked with pedal bracket and neutral
rod (7) through connecting shaft (6).
As the HST pedal (5) is depressed to forward, the HST control lever (3) is rotated, then the swashplate is tilted
by servomechanism and forward travelling speed increases. Then, the swashplate is returned to neutral with the
neutral holder arm (10), when the pedal is released. The ball bearing (9) on the neutral holder (8) pulled with the
neutral spring (12) seats the detente of the neutral holder arm (10) so that the neutral holder arm returns to neutral.
The damper (11) is connected to the HST pedal (5) through the connecting shaft (6), the neutral rod (7) and the
neutral holder arm (10), restricts the movement of the linkage to prevent abrupt operation or reversing.
9Y1211012TRM0034US0
(1) HST Assembly
(2) Regulator Valve Assembly
(3) HST Control Lever
(4) HST Control Rod
(5) HST Pedal
(6) Connecting Shaft
(7) Neutral Rod
(8) Neutral Holder
(9) Ball Bearing
(10) Neutral Holder Arm
(11) Damper
(12) Neutral Spring
KiSC issued 09, 2016 A

Table of Contents