EasyManua.ls Logo

ABB ACS850 - State Diagram

ABB ACS850
370 pages
Print Icon
To Next Page IconTo Next Page
To Next Page IconTo Next Page
To Previous Page IconTo Previous Page
To Previous Page IconTo Previous Page
Loading...
Control through a fieldbus adapter 347
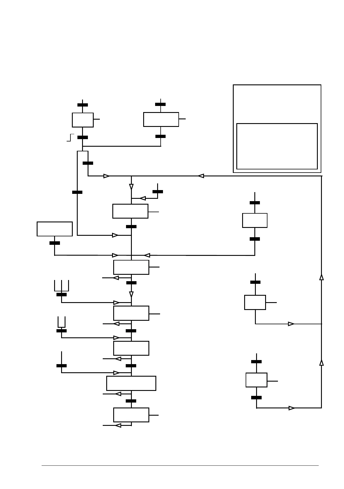
State diagram
The following presents the state diagram for the FBA communication profile. For
other profiles, see the User’s Manual of the appropriate fieldbus adapter module.
MAINS OFF
Power ON
from any state
FBA
Communication
Profile
(FBA SW Bit 0 = 1)
n(f)=0 / I=0
(FBA SW Bit 6 = 1)
(FBA CW Bit 16 = 1)
(FBA CW Bit 0 = 1)
OFF1 (FBA CW Bit 4 = 1
OFF1
ACTIVE
CD
(FBA CW Bit 13 = 0)
RUNNING
(FBA SW Bit 3 = 1)
(FBA SW Bit 5 = 1)
from any state
from any state
Emergency stop
OFF3 (FBA CW Bit 3 = 1
n(f)=0 / I=0
OFF3
ACTIVE
Emergency OFF
OFF2 (FBA CW Bit 2 = 1
(FBA SW Bit 4 = 1)
OFF2
ACTIVE
RFG: OUTPUT
ENABLED
RFG: ACCELERATOR
ENABLED
B
BCD
(FBA CW Bit 12 = 0)
D
(FBA CW Bit 14 = 0)
A
C
FBA CW = Fieldbus Control Word
FBA SW = Fieldbus Status Word
n = Speed
I = Input Current
(FBA SW Bit 8 = 1)
RFG = Ramp Function Generator
f = Frequency
D
from any state
Fault
(FBA SW Bit 16 = 1)
(FBA CW Bit 8 = 1)
START
INHIBITED
(FBA CW Bits 7 = 1)
READY TO
START
from any state
and FBA CW Bit 0 = 1)
and FBA CW Bit 0 = 1)
and FBA CW Bit 0 = 1)
RUN
DISABLE
FAULT
OPERATING
(FBA SW Bit 1 = 0)
(FBA CW Bit 7 = 0)
(FBA CW = xxxx xxxx xxxx xxx0 xxxx 1xxx 1xxx xx10)
(FBA CW = xxxx xxxx xxxx xxx0 xxx0 1xxx 1xxx xx10)
(FBA CW = xxxx xxxx xxxx xxx0 xx00 1xxx 1xxx xx10)
(FBA CW = xxxx xxxx xxxx xxx0 x000 1xxx 1xxx xx10)
E
E
Par. 10.19 = 1
Par. 10.19 = 0

Table of Contents

Other manuals for ABB ACS850

Related product manuals