EasyManua.ls Logo

ABB ACS850 - Drive logic 2 (Fieldbus interface)

ABB ACS850
370 pages
Print Icon
To Next Page IconTo Next Page
To Next Page IconTo Next Page
To Previous Page IconTo Previous Page
To Previous Page IconTo Previous Page
Loading...
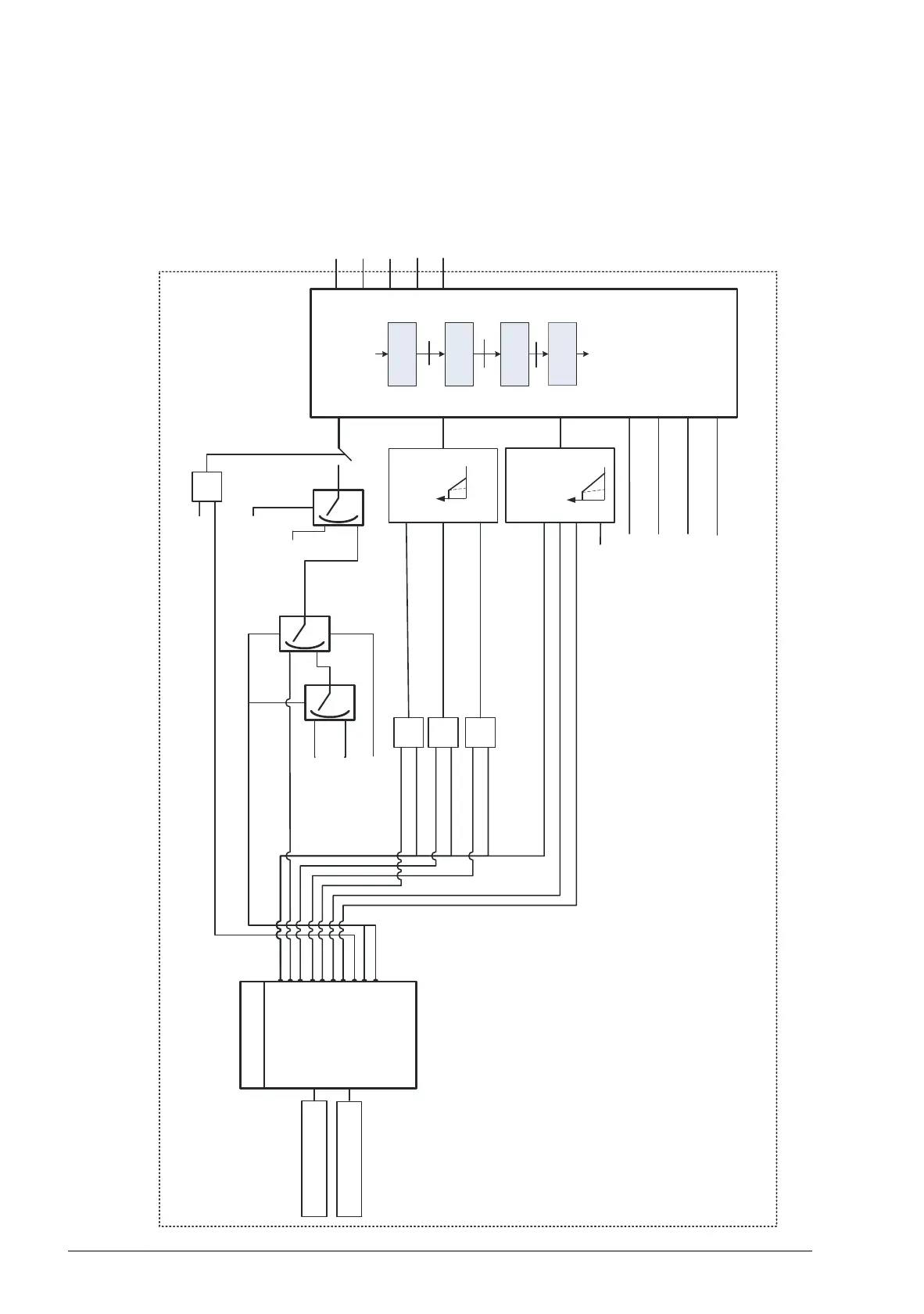
366 Control chain and drive logic diagrams
DRIVE LOGIC FB
10.09 Jog enable
10.10 Fault reset sel
10.19 Start inhibit
06.02 Status word2
06.01 Status word1
02.31 D2D follower cw
NORMAL
STOP RAMP /
COAST
STATE MACHINE
DISABLE
STOPPED
RUNNING
FAULTED
10.07 Jog1 Start
10.08 Jog2 start
11.01 Start mode
AND
OFF1
OFF2
OFF3
AND
AND
* Remote CMD needs to be activated first.
EM STOP
OFF1/OFF2/
OFF3
11.03 Stop mode
START
LOCAL MODE
PC / Panel
LOC START
10.11 Run enable
02.24 FBA main sw
STOP
AND
JOG ENA + JOG 1/2 START
10.17 Start enable
02.37 EFB main sw
02.22 FBA main cw
02.36 EFB main cw
B0 Stop
B1 Start
B2 Stpmode EM OFF
B3 Stpmode EM STOP
B4 Stpmode OFF1
B5 Stpmode RAMP
B6 Stpmode COAST
B7 Run Enable
B9 Jogging 1
B10 Jogging 2
B11 Remote CMD *
50.15 Fb cw used
Drive logic 2 (Fieldbus interface)

Table of Contents

Other manuals for ABB ACS850

Related product manuals