EasyManua.ls Logo

ABB OmniCore V250XT - Ethernet Networks on Omnicore

ABB OmniCore V250XT
456 pages
To Next Page IconTo Next Page
To Next Page IconTo Next Page
To Previous Page IconTo Previous Page
To Previous Page IconTo Previous Page
Loading...
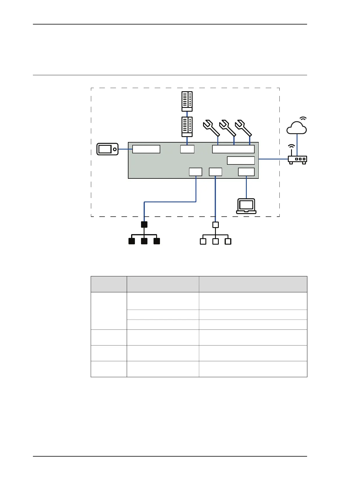
3.5.7 Ethernet networks on OmniCore
Network segment overview
ABB Ability
TM
MGMTLANWAN
OmniCore C line controller
ETHERNET SWITCH
I/O
FlexPendant
Robot cell
xx2100002084
The Ethernet networks used by OmniCore are distributed into the following
segments:
UsageController portsNetwork seg-
ment
Process equipment local to this specific ro-
bot.
I/O (Scalable I/O)
ETHERNET SWITCH
Private Net-
work
ABB service personnel.MGMT (Management)
FlexPendant connection.HMI (FlexPendant)
ABB Ability™ connection.ABB Ability™Ability Net-
work
Public/factory network.WANPublic Net-
work
Secondary public/factory network. Isolated
from WAN.
LANI/O Network
Continues on next page
84 Product manual - OmniCore V250XT
3HAC073447-001 Revision: B
© Copyright 2020-2022 ABB. All rights reserved.
3 Installation and commissioning
3.5.7 Ethernet networks on OmniCore

Table of Contents

Related product manuals