EasyManua.ls Logo

Angelo Po COMBIFIT CF623E - Page 45

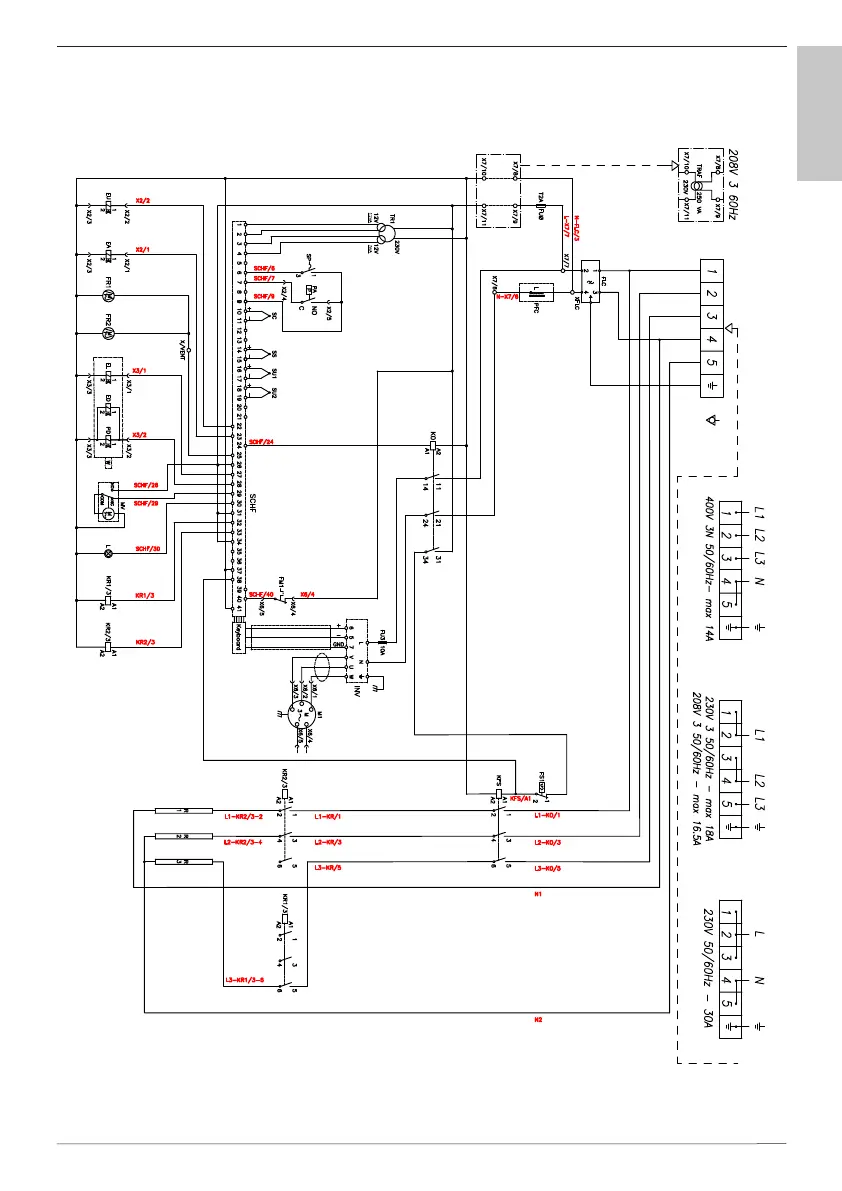
Angelo Po COMBIFIT CF623E
Print Icon
To Next Page IconTo Next Page
To Next Page IconTo Next Page
To Previous Page IconTo Previous Page
To Previous Page IconTo Previous Page
Loading...
43
COMBIFIT manuale di installazione, uso e manutenzione
IT


Table of Contents

Related product manuals