EasyManua.ls Logo

Aspen Avionics EFD1000 E5 - Figure 9-10: ARINC 429 GPS with ACU (Analog Nav And;Or Autopilot)

Aspen Avionics EFD1000 E5
226 pages
Print Icon
To Next Page IconTo Next Page
To Next Page IconTo Next Page
To Previous Page IconTo Previous Page
To Previous Page IconTo Previous Page
Loading...
EFD1000 E5 Dual Electronic Flight Instrument (EFI) Install Manual
DOCUMENT # 900-00041-001 PAGE 108-226 REVISION D
© Copyright 2019 Aspen Avionics Inc.
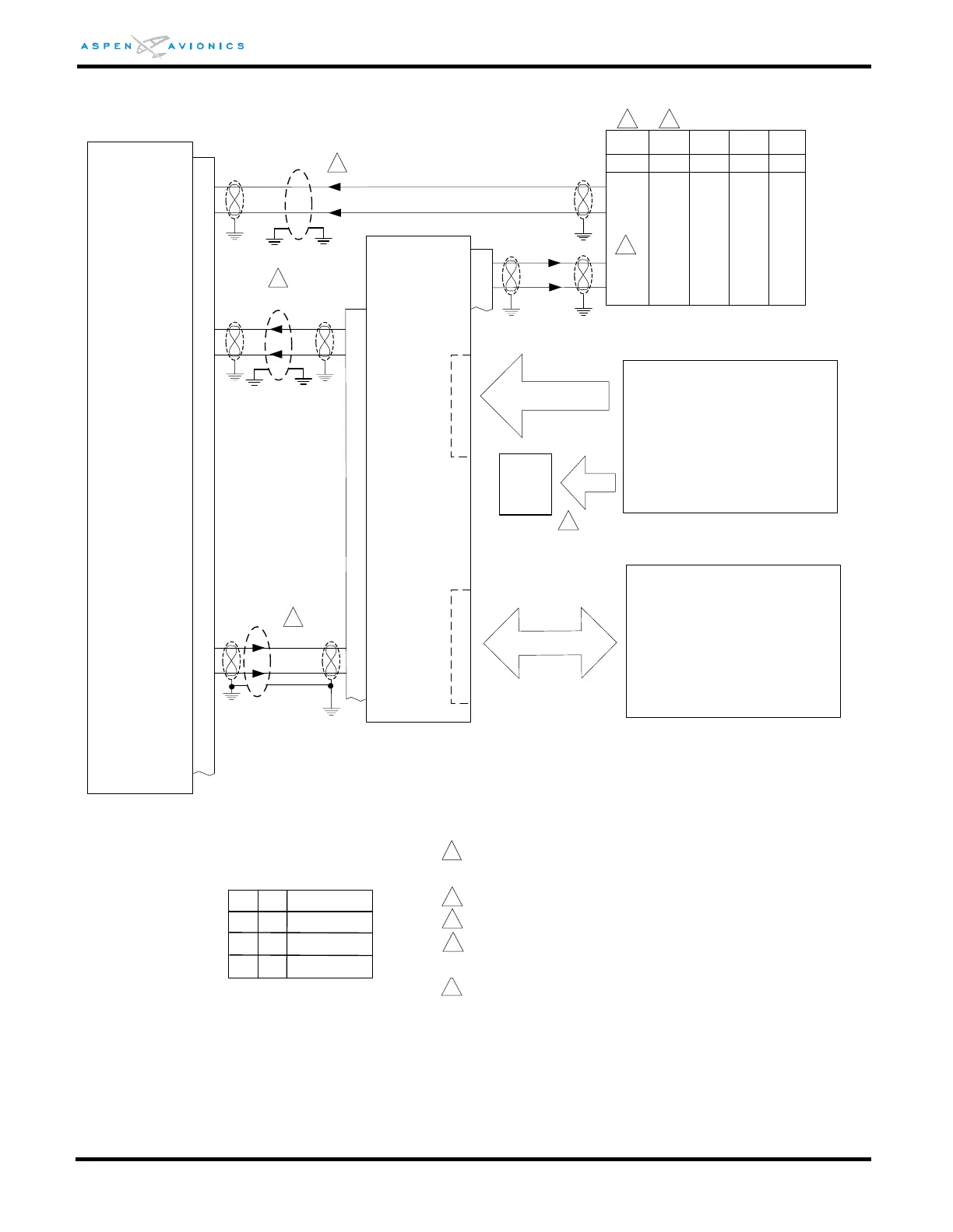
Figure 9-10: ARINC 429 GPS with ACU (Analog Nav and/or Autopilot)
Over Braid or
Double Shield
Over Braid or
Double Shield
Over Braid or
Double Shield
EFD1000
VLOC RX2A
VLOC RX2B
ACU/ACU2
P3
18
19
26
27
14
1
15
2
PFD 429 TX1A
PFD 429 TX1B
Autopilot - optional
429 RX1B
429 RX1A
429 TX1B
429 TX1A
A
U
T
O
P
I
L
O
T
ARINC 429 GPS
Analog VLOC #1
Optional
Back-Up
Nav
Indicator
V
L
O
C
#
1
See Figure 9-24, 9-25, 9-26 for Back-Up NAV
recommendations.
1
2
3
GPS400
GPS500
GTN625
635/725
GNC250XL
300XL
GPS155XL
Px001
P1001
J101
J1
P3
4
5
16
17
GPS RX1A
GPS RX1B
429 TX2A
429 TX2B
16
15
16
33
32
46 10
47 29
48(50)
49(51)
15
67
48
33
32
4
ID#1
Description
D
E
ID#2
NONE
NONE
GPS1, No NAV1,
GPS1,NAV1
5
3
See Figure 9-15 for:
KX-155(A) &165(A)
KN-53
KX-170A/170B/175/175B
SL-30
Use pins 48 & 49 or 50 & 51 not both.
2 2
4
See Figure 9-27 for GNS and GTN configuration.
1
1
1
Over shield or over braid required on this wire
bundle to comply with HIRF & Lightning. Extend
within back shell. Ground at both ends.
Configuration Matrix
(see Section 10)
KLN
90/A/B
P901
24
23
5
4
Refer to manufacturers’ documentation to
verify the integration data and for information
regarding checkout procedures. This drawing,
as it pertains to the non-Aspen equipment, is
for reference only.
See Figure:
9-16 to 9-20 for Autopilot
M*
NONE
No GPS1,NAV1
* The “M” config is only permitted for
Aircraft Limited to VFR.

Table of Contents

Related product manuals