EasyManua.ls Logo

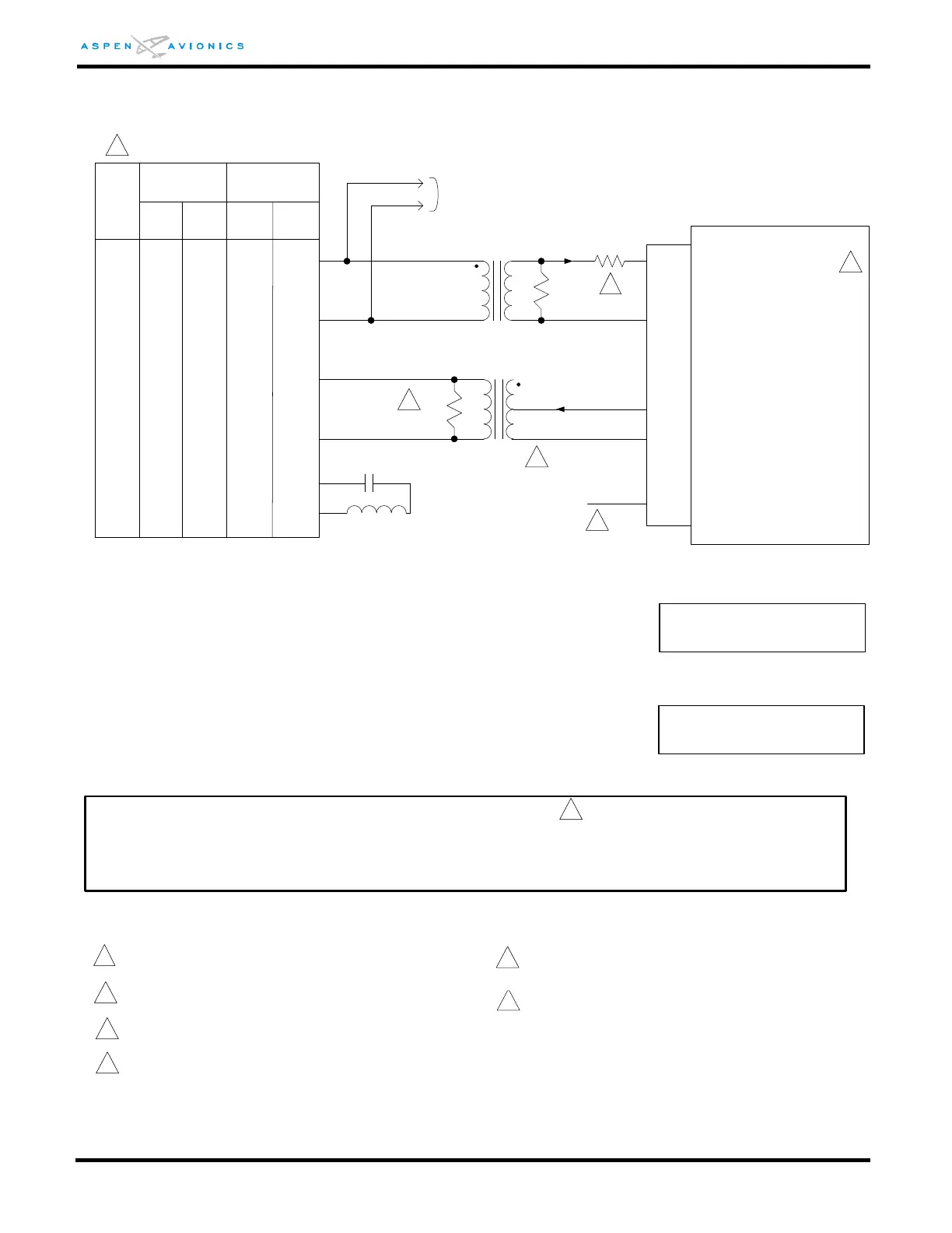
Aspen Avionics EFD1000 E5 - Figure 9-18 B: NSD360 A Emulation Century 1 C388;M, 1 C388 C;MC Radio Couplers

Aspen Avionics EFD1000 E5
226 pages
Print Icon
To Next Page IconTo Next Page
To Next Page IconTo Next Page
To Previous Page IconTo Previous Page
To Previous Page IconTo Previous Page
Loading...
EFD1000 E5 Dual Electronic Flight Instrument (EFI) Install Manual
DOCUMENT # 900-00041-001 PAGE 118-226 REVISION D
© Copyright 2019 Aspen Avionics Inc.
Figure 9-18B: NSD360A Emulation Century 1C388/M, 1C388C/MC Radio Couplers
C
F
ROLL EXC
ROLL EXC
A
B
D
E
23
22
3
HDG SIG
ROLL COM
N/C
DATUM EXCITATION
HDG DATUM
CRS DATUM
CD33 to
DG
(pigtail)
T1
T2
10K :10K
C1 = .027uF min 50V
L1 = 27mH
The value of R1 can range from 0K to 900K. A value for R1 should be
selected that sets the NAV intercept angle at 45 degrees. Consult autopilot
manufacturers’ reference documents for post install checkout procedures.
P3
ACU
CENTURY 1C388, 1C388M, 1C388C, 1C388MC and
No RADIO COUPLER installations
(5Khz)
10k
1/4W
1k
1/4W
PARTS:
T1 Use Triad SP-66 MIL No. TF5S21ZZ.
T2 New Installations: Use Triad SP-67 MIL No. TF5S21ZZ.
T2 Existing Installations: May continue to use a SP-66 unless performance was
unacceptable, then use SP-67.
L1 - JW Miller PN: 8250-273-RC.
C1 .027uf capacitor M39014/011463.
R1
This radio coupler does not have CRS Datum interface. You must
upgrade to 1C-388-2 or -3 coupler to gain this feature.
Set ACU HSI TYPE = 1
Set ACU DATUM = REVERSED
10
11
CRS/HDG COM
SIGNAL COMMON
1
1
2
2
3
Refer to autopilot manufacturers’ documentation for autopilot-side
integration information (including autopilot STC compliance data) and for
autopilot and flight director checkout procedures. This drawing, as it
pertains to the non-Aspen equipment, is for reference only.
4
1C388
1C388M
1C388C
1C388MC
No Radio
Coupler.
Computer
AMP
pinout
D
E
B
C
A
B
A
D
L
J
CD33 to
DG
(pigtail)
CD33 to
AMP
CD33 to
AMP
Existing wiring to AMP
and Attitude Ind.
__
_ _
_ _
_ _
___
_
_
_
Set ACU HSI TYPE = 3
Set ACU DATUM = REVERSED
1C388 & 1C388M
1C388C & 1C388MC
600:600
4
5
If using the SP-67 use a 1K parallel resistor. If using the SP-66
use a 10K parallel resistor.
5
If the installation does not have a radio coupler the ACU may be
connected directly to the computer amp as shown. The EFD1000 will
operate the autopilot by HDG Bug and GPSS (if compatible GPS).
4
T2 Transformer
Some earlier designs of radio couplers have an internal transformer and a lower input impedance. A lower impedance T2 (SP-
67) may be required to achieve the 45 degree NAV intercept angle. On all new installations it is recommended to use a SP-67
for T2. Existing installations may continue to use the SP-66 provided system performance is acceptable. A SP-67 may be used
provided the 10K parallel resistor is changed to 1k and the value of R1 is adjusted accordingly.
4
1
2
3
4
5
6
4
5
6
1
2
3
Using Pin 21 is acceptable on previous installations.
6
3

Table of Contents

Related product manuals