EasyManua.ls Logo

Attila DIGITAL - Att15, Att20

Attila DIGITAL
78 pages
Print Icon
To Next Page IconTo Next Page
To Next Page IconTo Next Page
To Previous Page IconTo Previous Page
To Previous Page IconTo Previous Page
Loading...
ATTILA
EN
64
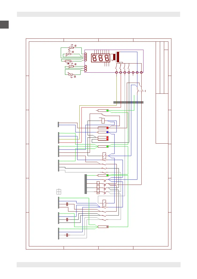
13.1.3. ATT15, ATT20
3 3 3 3 3 3444444
VE1
VE2 VE3 COMP.
VC1/2+RC VC3/4
1 2
3 4
REED
BA56-12EWA
C1
C2
2 1
KC
P1S1
P2S2
P3S3
P4S4
2
4
6
1
3
5
F1
21
21
43
65
N1-8
F.1-7
F.1-8
F.2-7
GN-2
GN-3
GN-4
2 1
KVE
P1S1
P2S2
P3S3
P4S4
C3
GN1-1
S.CON1
12
R.C
12
R.EV
12
R.C2
CA3
CA2
a
b
c
d
e
f
g
dp
CA1
S.CON2
12
R.C1
1
4
6
7
U.-1
U.-2
U.-3
X.-1
X.-2
X.-3
X.-4
SONDA-R
SPILLONE
14 13
24 23
INT.G1
11
14
12
A2 A1
K1
N
S
PRI
SEC
SCHEMA ABBATTITORE 15-20T-ST
22/03/2018 10:11:18
1/1
Sheet:
A
B
C
D
1 2 3 4 5 6
A
B
C
D
1 2 3 4 5 6
1A
1B
2A
3A
3B
4A
4B
5A
5B
6A
6B
7A
8A
8B
9A
9B 10A
11A
11B
12A
4A2
14A
14B
15A15B
16A
16B
17A
17B
18A
18B
19A
19B
20A
20B
21A
22A
22B
23A
23B 24A
25A
25B
26A
26B
27A
27B
28A
29A
29B
30A
30B
31A
32A
32B33A
33B
34A
35A
35B
36A
36B
37A37B
38A
39A
39B
40A
40B 41A
42A
42B
43A
43B
44A
7B
21B
34B
47A
47B
48A
48B
49A
49B
45A
45B
46A
46B
28B
1 1 1 1 1 12 2 2 2 22
VC1/2+RC
1= MASS
2= COMMON NEUTRAL
3= CASING RESISTANCE
4= 2 CONDENSER FANS
VC3/4
1= MASS
2= COMMON NEUTRAL
3= 3RD CONDENSER FAN
4= 4TH CONDENSER FAN
BLACK
GAITER
80 cm
COMP
1= MASS
2= PHASE R
3= PHASE S
4= PHASE T
VE1-2-3
1= MASS
2 - NEUTRAL
3= CONDENSER
4= PHASE
AL-IN cable 5x2,5
BLAST CHILLER 15/20T BASE

Table of Contents