EasyManua.ls Logo

Attila DIGITAL - Att15_Th, Att20_Th

Attila DIGITAL
78 pages
Print Icon
To Next Page IconTo Next Page
To Next Page IconTo Next Page
To Previous Page IconTo Previous Page
To Previous Page IconTo Previous Page
Loading...
USE AND MAINTENANCE MANUAL
ATTILA
65
EN
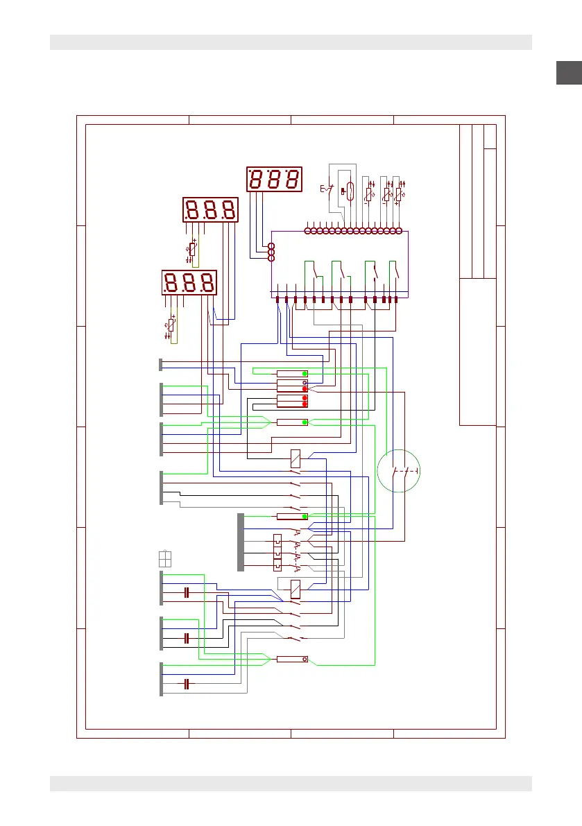
13.1.4. ATT15_TH, ATT20_TH
33
32
31
30
29
28
27
26
25
24
23
22
21
20
19
18
3 3 3 3 3 3444444 2 1 2 2 2 2 21 1 1 1 1
VE1
VE2 VE3 COMP.
VC1/2+RC VC3/4
1 2
3 4
EW961
EW961
C1
C2
2 1
KVE
P1S1
P2S2
P3S3
P4S4
2
4
6
1
3
5
F1
21
21
43
65
N1-8
F.1-7
F.1-8
F.2-7
GN-2
GN-3
GN-4
2 1
KC
P1S1
P2S2
P3S3
P4S4
C3
14 13
24 23
INT.G
1
S1
M-P
12
COM.
12
F-C1
12
E-P
12
F-EV
REMOTE
S-S
S-CA
S-CA1
PR
1112
GN1-1
2
S2
N
S
SCHEMA ABBATTITORE 15-20T-TOUCH
not saved!
1/1
Sheet:
A
B
C
D
1 2 3 4 5 6
A
B
C
D
1 2 3 4 5 6
1
2
3
4
5
6
7
8
9
10
11
12
13
14
N
N
F
2
3
4
8
9
10
11
2
3
4
8
9
10
11
1A
1B
2A
3A
3B
5A
5B
6A
6B
7A
8A
8B
9A
9B
10A
11A
11B
12A
13A
14A
14B
15A15B
16A
16B
17A
17B
18A
18B
19A
19B
20A
20B
21A
22A
22B 23A
23B
25A
25B
26A
26B
27A
27B
28A
29A
29B
30A
30B
32A
32B33A
33B
34A
35A
35B
36A
37A37B
38A
39A
39B
40A
40B
41A
42A
42B
43A
43B
55A
55B
12B
7B
34B
45A
45B
46A
47A
47B
48A
49B
50A
51B
52A
53B
24A
24B
21B
28B
36B
44A
49A
4A
4B
54A
54B
VC1/2+RC
1= MASS
2= COMMON NEUTRAL
3= CASING
RESISTANCE
4= 2 CONDENSER
FANS
VC3/4
1= MASS
2= COMMON NEUTRAL
3= 3RD CONDENSER
FAN
4= 4TH CONDENSER
FAN
BLACK
GAITER
80 cm
COMP
1= MASS
2= PHASE R
3= PHASE S
4= PHASE T
VE 1-2-3
1= MASS
2 - NEUTRAL
3= CONDENSER
4= PHASE
AL-IN cable 5X2,5
BLAST CHILLER 15/20T TOUCH

Table of Contents