EasyManua.ls Logo

BRP Evinrude E-TEC Icon Pro Series - Page 151

BRP Evinrude E-TEC Icon Pro Series
156 pages
Print Icon
To Next Page IconTo Next Page
To Next Page IconTo Next Page
To Previous Page IconTo Previous Page
To Previous Page IconTo Previous Page
Loading...
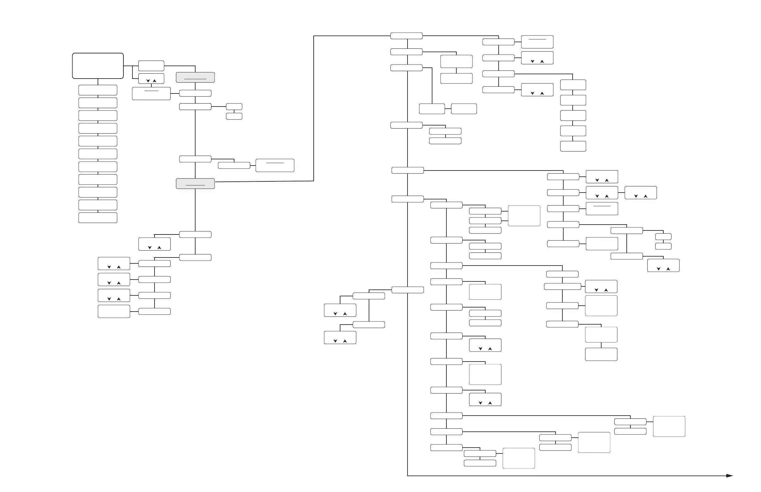
EDIT MODE
NORMAL MODE
Program Map
#1 P1-6
#2 P1-7
#3 P1-8
#4 P2-3
#5 P2-4
#1 P1-6
#2 P1-7
#3 P1-8
#4 P2-3
#5 P2-4
US 240-33
EU 10-180
Bus Data
Fuel Level
Engine Fuel Rate
Normal
Inverted
#1 P1-6
#2 P1-7
#3 P1-8
#4 P2-3
#5 P2-4
Reset Interval
Maintenance Intrvl
Engine ID
Engine Type
No
Yes
Fuel Level
Tank Size
Cal Sender
Tank#: Fuel
Set Full
Add Fuel
Cal Paddle Wheel
Cal Pitot
Set Sender Transition
*Marine
Cal By Mile
Cal By Pulses
*Commercial
Set Tank# Size
0.0 GAL
Or
Low Fuel Warning
0.0 GAL
Or
Low Warning
Reset Totalizer
Default Screen
(Normal Mode)
Tap
Mode
Tank 0%
Empty Tank
Tank 25%
Fill to ¼
Tank 50%
Fill to ½
Tank 75%
Fill to ¾
Tank 100%
Fill to Full
# Of Screens
Screen Setup
Line 2 Data
Screen # To Setup
1
Or
Screen #
AVLBLE DATA TYPES
Or
Line 2 Data
Off
Available Data Types
Auto Scroll
Status
Time
Off
On
Choose
LCD Color
Available LCD Colors
LCD Color
Trim 0%
Trim Full Down
Trim 100%
Trim Full Up
Press & Hold
Trip Data
View Data
Reset Data
Tank#: Fuel
Set Full
Add Fuel
Enter Menu
Trip Data
Fuel Level
Tank to Add Fuel
Adjust LCD
Contrast
Or
Contrast
Lighting
Adjust LCD
Adjust Dial
Adjust System
Edit Menu
Custom Alarms
Data Sources
Cal Speedo
Cal Trim
Max Speed
Display
View
Reset
Fuel Setup
LCD Max Brightness
100%
Or
Dial Max Brightness
100%
Or
System Level Bright
100%
Or
Source
Bus Data
Instrument
Analog
Select # Of Screens
12
Or
Select Maint Interval
12 HRS
Or
PORT
MID PORT
CENTER
MID STARBOARD
STARBOARD
Select # Of Screens
12
Or
Oil Press Alarm
80 PSI
Or
Engine Temp Alarm
225 ºF
Or
Tanks
Oil Pressure
Engine Temp
Remaining Fuel
Engine
Speed Source
Steering Angle
Tach Signal
Tach Signal
0.0 PULSES
Or
Trim Sender
Battery
Select Battery #
1
Or
Water Temp
Analog
Bus Data
Analog
Bus Data
Air Temp
Oil Pressure
NMEA
EVINRUDE
MERCURY
VOLVO
SUZUKI
GPS
BUS DATA
DRIVE A MILE
PULSE (PPM)
Analog
Bus Data
#1 P1-6
#2 P1-7
#3 P1-8
#4 P2-3
#5 P2-4
Default Screen 2
Default Screen 3
Default Screen 4
Default Screen 5
Default Screen 6
Default Screen 7
Default Screen 8
Default Screen 9
Default Screen 10
Default Screen 11
Default Screen 12
V-TWIN
DIESEL
WEBER
*Marine
YAMAHA
HONDA
CUMMINS
NMEA STD
*Commercial
TO EDIT MODE
EDIT MODE CONTINUED
FROM NORMAL MODE

Table of Contents

Related product manuals