EasyManua.ls Logo

BRP Evinrude E-TEC Icon Pro Series - Page 153

BRP Evinrude E-TEC Icon Pro Series
156 pages
Print Icon
To Next Page IconTo Next Page
To Next Page IconTo Next Page
To Previous Page IconTo Previous Page
To Previous Page IconTo Previous Page
Loading...
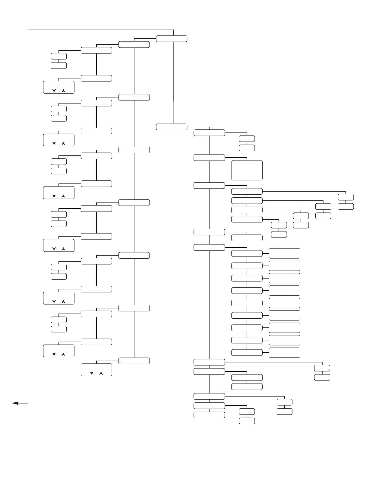
EDIT MODE
All
Warning Beep
Setting Saved
Button Press
ENGLISH
SPANISH
ITALIAN
FRENCH
GERMAN
Initialize
Language
No
Yes
No
Yes
On
Off
On
Off
Yes
No
On
Off
On
Off
On
Off
Yes
No
Audio
Select Offset
Clock
All Units
US
EURO
Volume
GAL
LITER
Distance
MILE
KILOMETER
NAUTICAL MILE
Speed
MPH
KMH
KNOTS
Temperature
FAHRENHEIT
CELSIUS
Depth
FEET
METER
FATHOM
Pressure
PSI
BAR
kPA
GPS COG
TRUE
MAGNETIC
Flow Rate
GAL PER HOUR
LITER PER HOUR
Set Units
Self Test
Alarms
View
Clear
Winterize
Master Reset
Software
System
Pop Up Alerts
Status
Value
RPM
RPM Pop Up Value
100 RPM
Or
On
Off
Status
Value
Trim Change
Trim Change Value
0 %
Or
On
Off
Status
Value
Fuel Economy
Fuel Economy Value
0.0 GPH
Or
On
Off
Status
Value
Speed
Speed Pop Up Value
0.0 MPH
Or
On
Off
Status
Value
Water Temp
Water Temp Value
75 °F
Or
On
Off
Status
Value
Est Range
Est. Range Value
0.0 MILES
Or
Duration
Pop Up Duration
10 SEC
Or
EDIT MODE CONTINUED

Table of Contents

Related product manuals