EasyManua.ls Logo

Canon GP405 - Page 287

Canon GP405
682 pages
Print Icon
To Next Page IconTo Next Page
To Next Page IconTo Next Page
To Previous Page IconTo Previous Page
To Previous Page IconTo Previous Page
Loading...
COPYRIGHT
©
1999 CANON INC. CANON 405/335 REV.0 JAN. 1999 PRINTED IN JAPAN (IMPRIME AU JAPON)
9-11
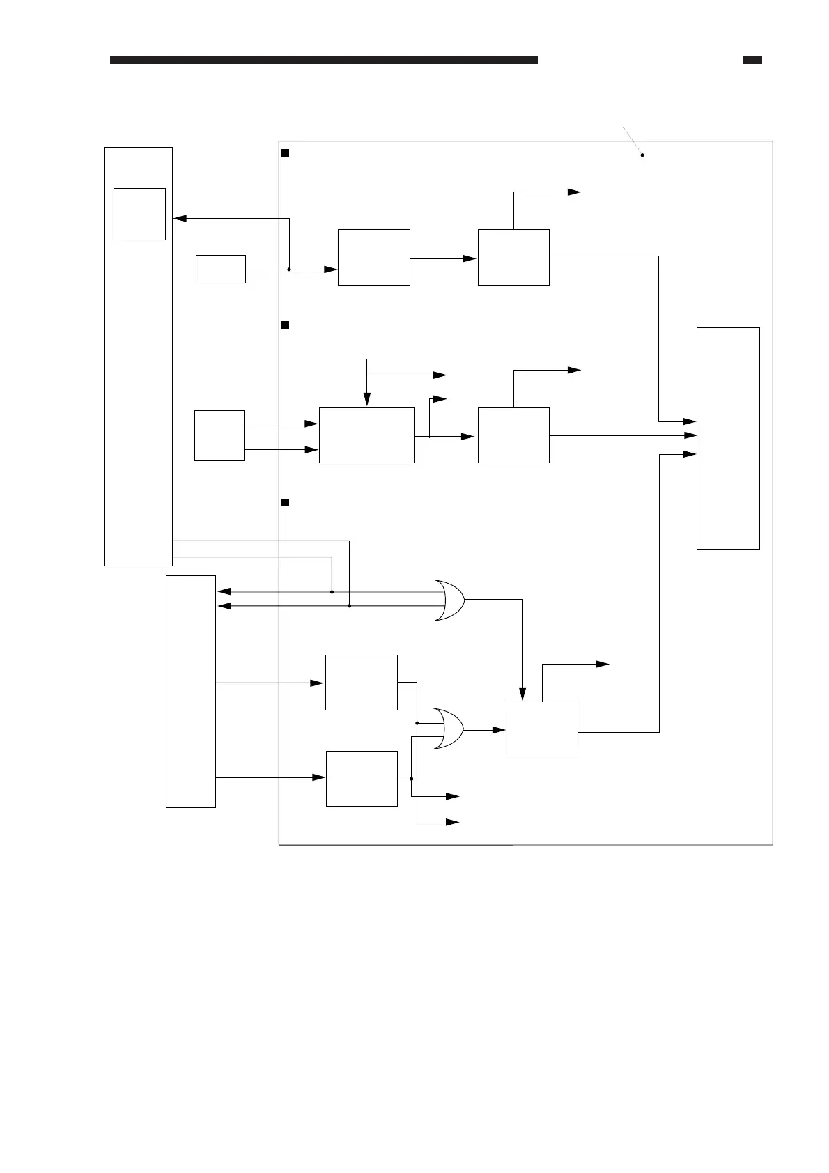
CHAPTER 9 FIXING SYSTEM
Overheating
detection
circuit
230˚C
Timer circuit
Hard relay off signal 1
(main thermistor error signal)
Overheating/
open detection
circuit
245˚C
Timer circuit
Hard relay off signal 2
(sub thermistor error signal)
Main Thermistor Overheating Detection Block Diagram
Sub Thermistor Overheating/Open Cir cuit Detection Block Diagram
Phase signal
Open circuit detection: L
Overheating detection: H
To DC-CPU
To DC-CPU
To DC-CPU
To DC-CPU
Image
processor
PCB
Fixing temperature
control
J114
-A7
J113-B1
J114
-A9
J114
-A10
SSR Short Circuit Detection Block Diagram
Main heater
activation
detection
circuit
Sub heater
activation
detection
circuit
Timer circuit
Hard relay off signal 3
(SSR error signal)
H2-D
H1-D
J114-B13
J114-B12
J114-B11
J114-B14
H1-ERR
H2-ERR
Main heater ON: H to DC-CPU
Sub heater ON: H to DC-CPU
Fixing
relay
drive
circuit
DC-
CPU
TH1
TH2
SSR
To DC-PC
DC controller circuit
Figure 9-104 Error Monitoring Block of the Fixing Heater

Table of Contents

Other manuals for Canon GP405

Related product manuals