EasyManua.ls Logo

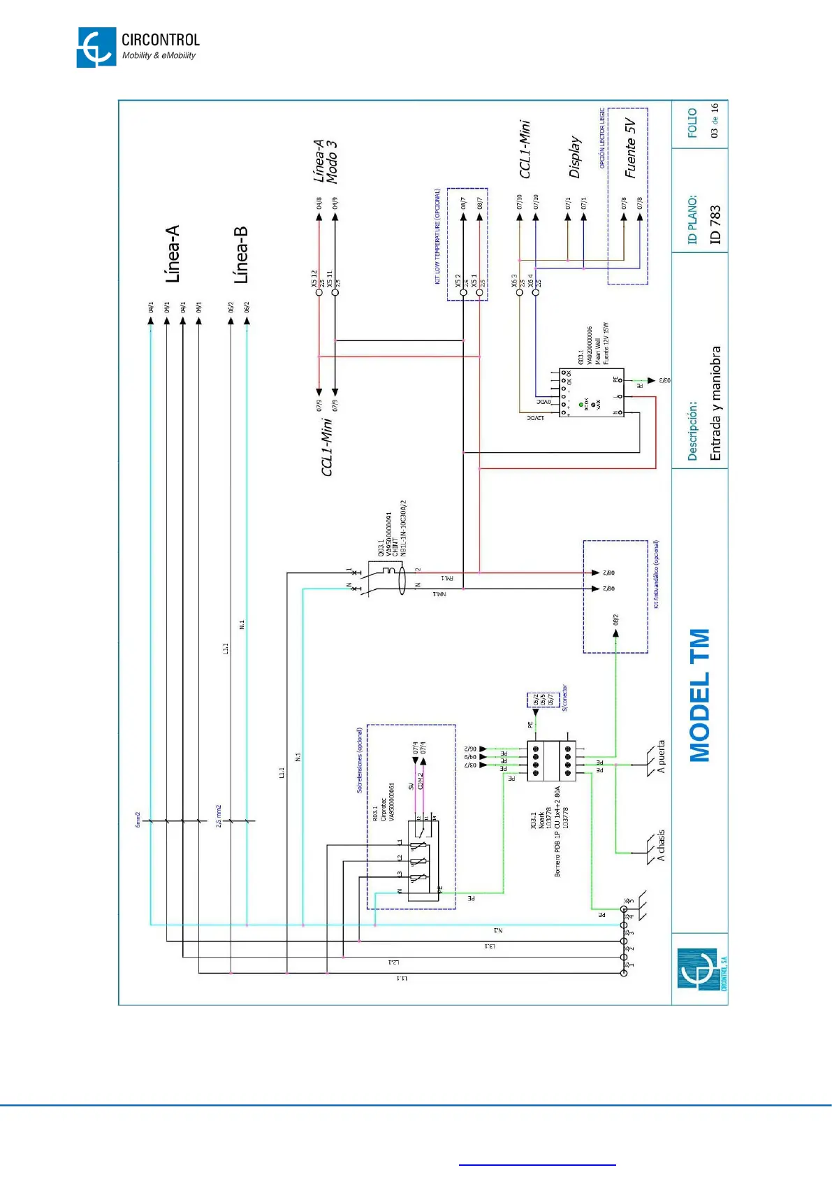
Circontrol Post eVolve Smart Series - 15.6 MODEL TM

Circontrol Post eVolve Smart Series
152 pages
Print Icon
To Next Page IconTo Next Page
To Next Page IconTo Next Page
To Previous Page IconTo Previous Page
To Previous Page IconTo Previous Page
Loading...
SERVICE MANUAL Poste eVolve Smart
15 - WIRING DIAGRAMS PHASE II
CIRCONTROL, S.A. Innovació, 3 08232 Viladecavalls (Barcelona)
Tel.: +34 937 362 940 Fax: +34 937 362 941 131
Web: www.circontrol.com E-mail: circontrol@circontrol.com
15.6 MODEL TM

Table of Contents