EasyManua.ls Logo

Clear-Com Eclipse HX series - Page 167

Clear-Com Eclipse HX series
230 pages
Print Icon
To Next Page IconTo Next Page
To Next Page IconTo Next Page
To Previous Page IconTo Previous Page
To Previous Page IconTo Previous Page
Loading...
Eclipse | Upgrade Guide
Page 167
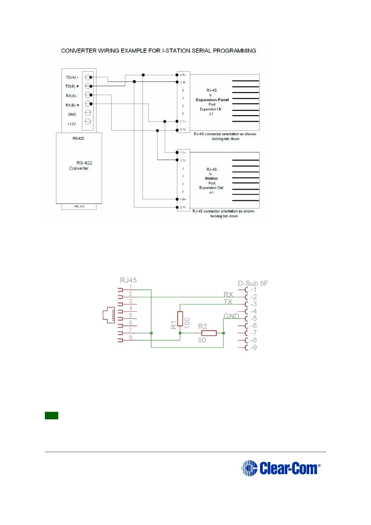
Figure 14-2: Example wiring scheme for i-Station serial programming
Figure 14-3 shows an alternative cabling scheme that does not require the use of the
RS-422 converter module:
Figure 14-3: Alternate example wiring scheme for i-Station serial programming
Note:
The cabling scheme shown supports i-Station panels. To use with an E-station simply
reverse the TX and RX connections at the Sub-D 9-pin F connector.
Tip: An i-Station or E-station with either no firmware installed or corrupted firmware
may be repaired through an upgrade (the station will display Display Module Test,
Press All Buttons 3X).
To manually upgrade the i-Station panel application code:

Table of Contents

Related product manuals