EasyManua.ls Logo

Cognex DataMan 50 - High Speed Output Wiring

Cognex DataMan 50
173 pages
Print Icon
To Next Page IconTo Next Page
To Next Page IconTo Next Page
To Previous Page IconTo Previous Page
To Previous Page IconTo Previous Page
Loading...
Number Output
1 COMMONOUT
2 PNPOUT
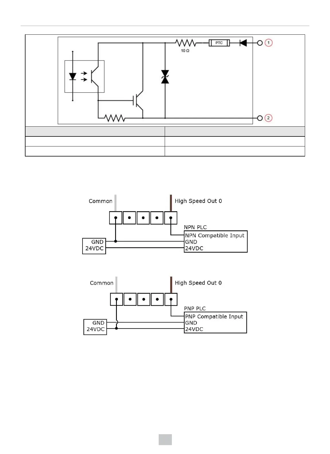
High Speed Output Wiring
To connect to an NPN-compatible PLC input, connect one of the reader's high-speed outputs directly to the PLC input.
When enabled, the output pulls the PLC input down to less than 3 VDC.
To connect to a PNP-compatible PLC input, connect one of the reader's high-speed outputs directly to the PLC input.
When enabled, the output pulls the PLC input up to greater than 21 VDC.
To connect the high-speed outputs to a relay, LED or similar load, connect the negative side of the load to the output and
the positive side to +24VDC. When the output switches on, the negative side of the load is pulled down to less than 3
VDC, and 21 VDC appears across the load. Use a protection diode for a large inductive load, with the anode connected
to the output and the cathode connected to +24 VDC.
109
Electrical Information

Table of Contents

Other manuals for Cognex DataMan 50

Related product manuals