EasyManua.ls Logo

Danfoss iC2-Micro Series - Wiring Diagram

Danfoss iC2-Micro Series
104 pages
Print Icon
To Next Page IconTo Next Page
To Next Page IconTo Next Page
To Previous Page IconTo Previous Page
To Previous Page IconTo Previous Page
Loading...
Design Guide | iC2-Micro Frequency Converters Electrical Installation Considerations
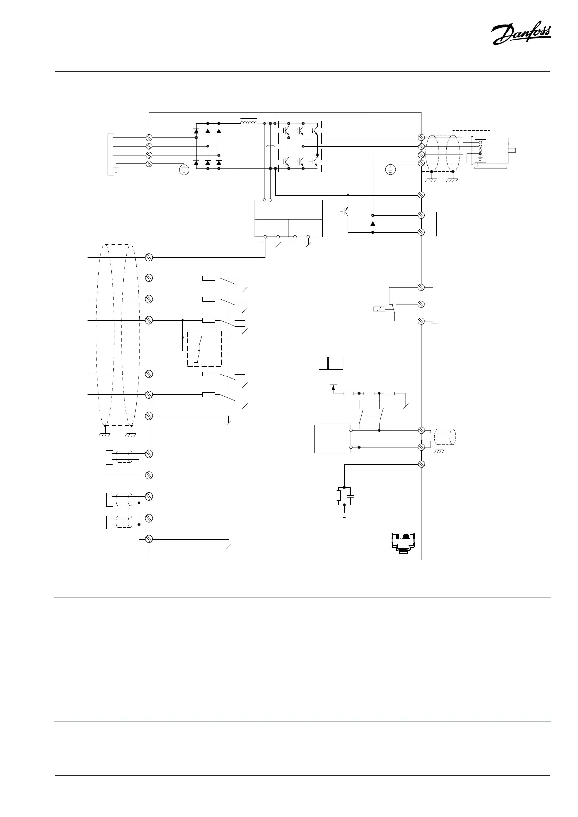
7.2 Wiring Diagram
e30bv083.12
RS485
interface
(N RS485) 69
(P RS485) 68
(COM RS485) 61
RS485
S640
0 V
S640
ON = Terminated
OFF = Open
Relay 1
03
02
01
250 V AC, 2 A
Brake
resistor
Motor
UDC-
UDC+/BR+
BR-
PE
U
V
W
Switch mode
power supply
24 V DC 10 V DC
5 V
Power
input
L1/L
L2
L3/N
PE
1 2
ON
RS485 communication
RJ45 port
1)
2)
3)
5)
12 (+24 V OUT)
13 (D IN)
14 (D IN)
20 (COM I/O)
15 (D IN/OUT)
17 (D IN)
18 (D IN)
24 V
0 V
(NPN)
(PNP)
24 V
0 V
(NPN)
(PNP)
24 V
0 V
(NPN)
(PNP)
24 V
0 V
(NPN)
(PNP)
24 V
0 V
(NPN)
(PNP)
24 V
0 V
P9.4.1.1
4)
+ 10 V DC
0-10 V DC
0/4-20 mA
0-10 V DC
0/4-20 mA
Analog output
0/4-20 mA
32 (+10 V OUT)
33 (A IN)
34 (A IN)
35 (COM I/O)
31 (A OUT)
A=Analog, D=Digital
Figure 37: Wiring Diagram
1 Single DC choke in MA05a.
2 Built-in brake chopper is only applicable to drives in the power range of 3x380–480 V 2.2 kW (3.0 hp) and above, and 3x200–
240V 1.5kW (2hp) and above.
3 No BR terminals for 1x100–120 V, 1x200–240 V, 3x200–240 V 0.37–0.75 kW (0.5–1.0 hp), and 3x380-480 V 0.37-1.5kW
(0.5-2.0hp) drives.
4 Select the PNP or NPN mode via parameter P 9.4.1.1 Digital I/O mode (PNP=Source, NPN=Sink).
5 Use switch S640 (bus terminal) to enable termination on the RS485 port (terminals 68 and 69).
Danfoss A/S © 2024.08 AJ402315027937en-000401 / 130R1239 | 75

Table of Contents

Related product manuals