EasyManua.ls Logo

Danfoss iC2-Micro Series - Page 80

Danfoss iC2-Micro Series
104 pages
Print Icon
To Next Page IconTo Next Page
To Next Page IconTo Next Page
To Previous Page IconTo Previous Page
To Previous Page IconTo Previous Page
Loading...
4
4
7
8
10
11
12
9
L1
L2
L3
PE
e30bv100.10
1
2
3
4
5
6
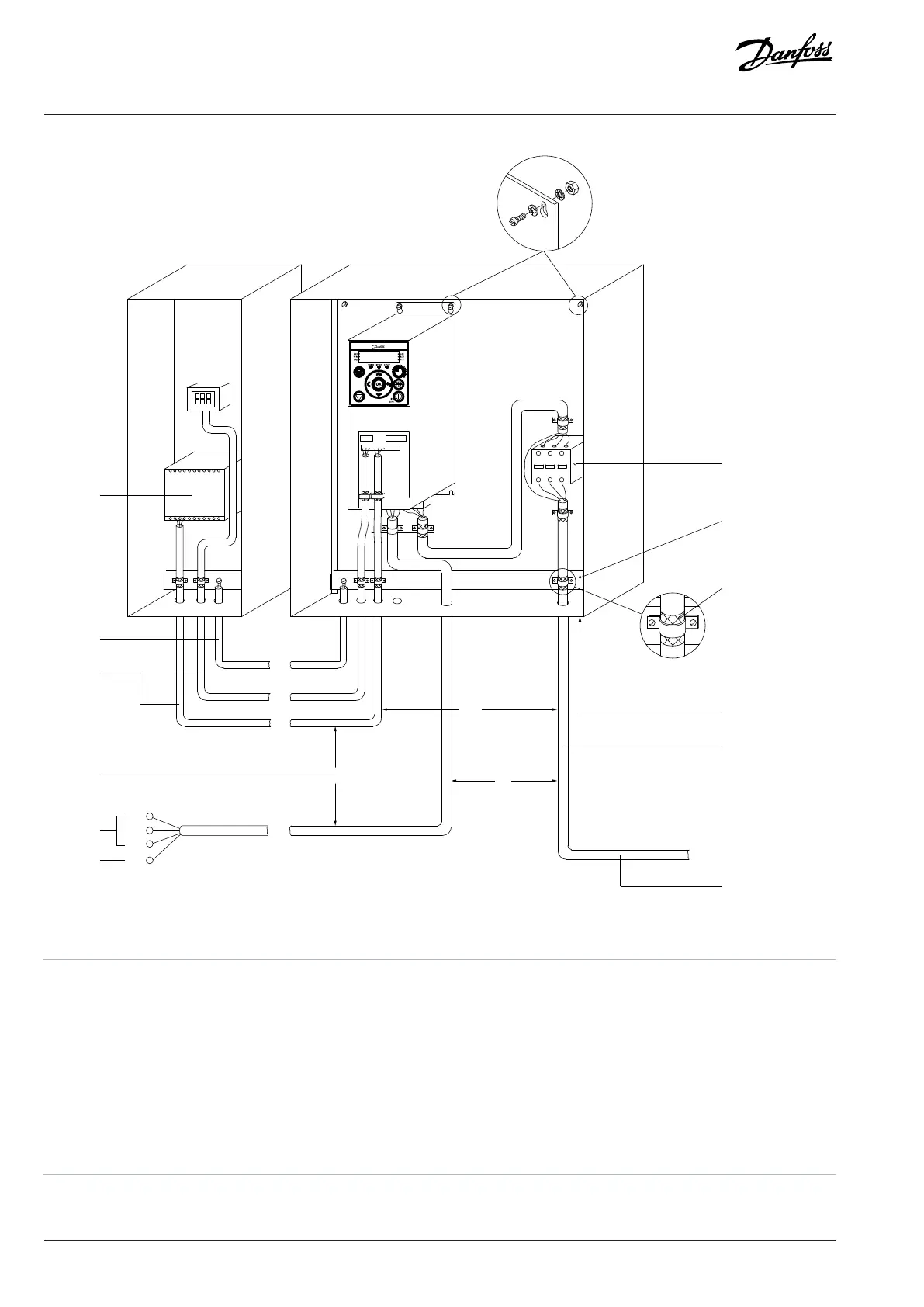
Figure 39: Example of Proper EMC Installation
1 Programmable logic controller (PLC) 2
Minimum 16mm
2
(6AWG) equalizing cable
3 Control cables 4 Minimum 200mm (7.9in) between control cables, motor
cables, and mains cables
5 Mains supply 6 Reinforced protective earth
7 Output contactor, and so on. 8 Grounding rail
9 Cable insulation stripped 10 All cable entries in one side of panel
11 Motor cable 12 Connecting to motor (3 phases and protective earth)
80 | Danfoss A/S © 2024.08 AJ402315027937en-000401 / 130R1239
Design Guide | iC2-Micro Frequency Converters Electrical Installation Considerations

Table of Contents

Related product manuals