EasyManua.ls Logo

Dodge Stealth 1994 - Page 172

Dodge Stealth 1994
434 pages
Print Icon
To Next Page IconTo Next Page
To Next Page IconTo Next Page
To Previous Page IconTo Previous Page
To Previous Page IconTo Previous Page
Loading...
8-170
CIRCUIT DIAGRAMS
-
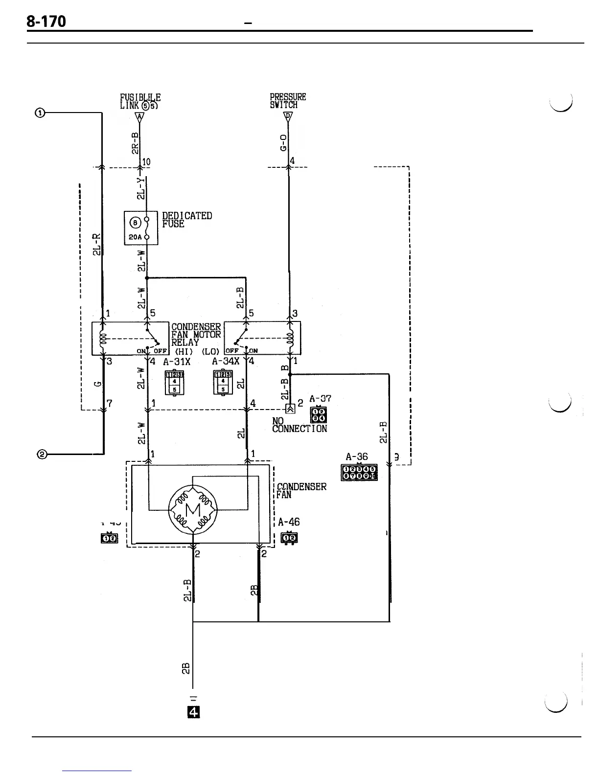
Full Auto Air Conditioning Circuit
FULL AUTO AIR CONDITIONING CIRCUIT
<TURBO, DOHC NON TURBO (CALIFORNIA)> (CONTINUED)
@
L-R
r--
t
I
I
I
I
I
I
(
I
(
I
I
I
DUAL
EYWIiBSE
-----i/l
___________________
:fL
__________
-------,
F#&CATED
7
I
I
I
I
I
I
I
I
I
I
I
I
I
I
t
I
I
I
I
I
I
I
1
I
I
I
I
I
I
I
I
I
I
I
I
I
I
I
I
I
I
Z-J
@
L-R
A-45'
m;
L
1
I
kONDENSER
iFAN
MOTOR
!
I
IA-46
I
I
J
a

Table of Contents

Related product manuals