EasyManua.ls Logo

Dodge Stealth 1994 - Theft-Alarm System Troubleshooting

Dodge Stealth 1994
434 pages
Print Icon
To Next Page IconTo Next Page
To Next Page IconTo Next Page
To Previous Page IconTo Previous Page
To Previous Page IconTo Previous Page
Loading...
8-41
ii
CHASSIS ELECTRICAL
-
Theft-alarm Svstem
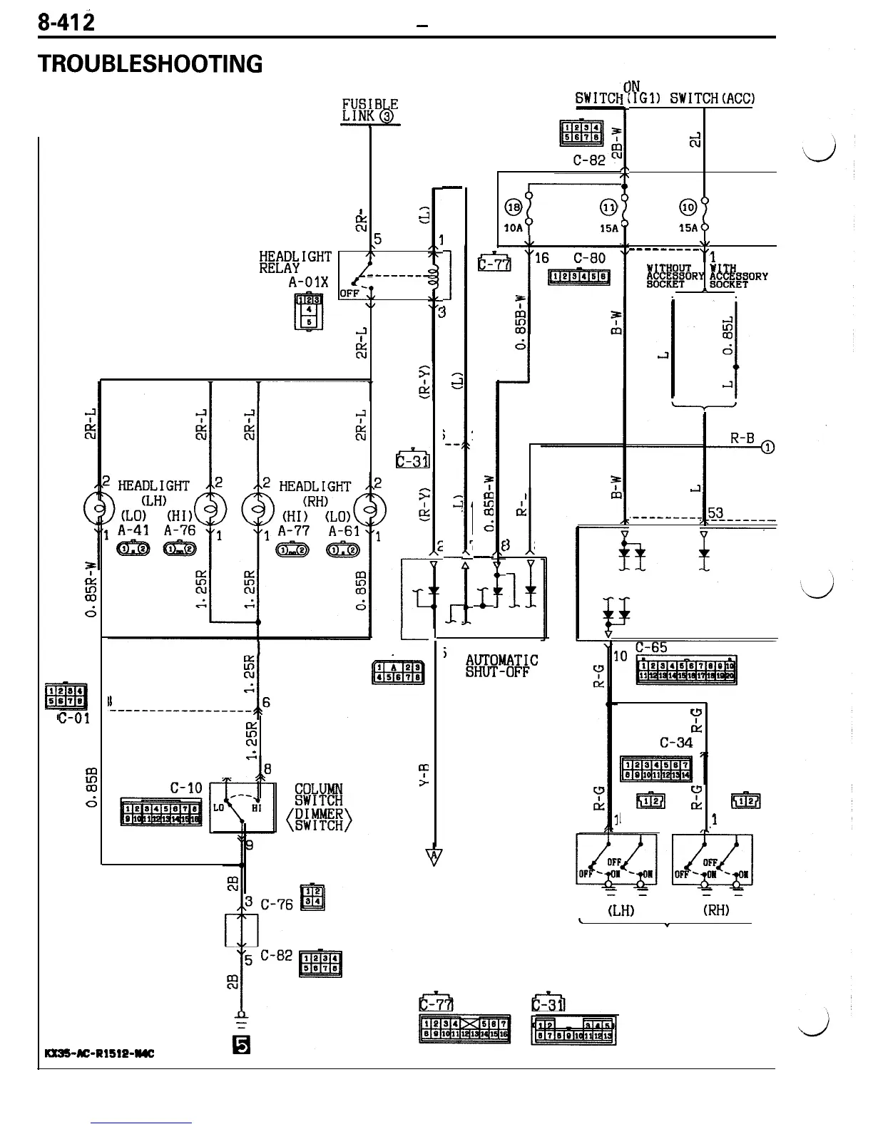
TROUBLESHOOTING
CIRCUIT DIAGRAM
IGNITI
SWITCk
IN
IGNITION
1IGl)
SWITCHtACC)
ti
7
4
---------
,\
Gq
15A
\I
------___
3
"1
IITXOUT
WITH
@~~fORY
~~~CE;ORY
*
I
69
8
0
1OA
15A
-
1
1
2
i
--.
s
,
--:
I.
m
I
E3
2
,5
/\
--_----_
OFF-=,
\I
ON
4
J
I
\L
;K&;\IGHT
A-01X
ial
-3
E-17
I
%
+
E
(
,
3
i
a3
d
c-01
$
6
1
3:
I
%
Q
6
7
-
1
52
.------___
m
&
I
3
3
14
j
LIGHT
~~!q~~c
UNIT
I
?
c-34w 4
@Jg
;
m
1
E-21
,1
E-15
E
.
",,8
,\
J/B
=
=
=
r
(LH)
(RH)
\
v
DOOR SWITCH
KXRR-CIC-RlSlR-R4C

Table of Contents

Related product manuals