EasyManua.ls Logo

Dodge Stealth 1994 - Page 211

Dodge Stealth 1994
434 pages
Print Icon
To Next Page IconTo Next Page
To Next Page IconTo Next Page
To Previous Page IconTo Previous Page
To Previous Page IconTo Previous Page
Loading...
CIRCUIT DIAGRAMS
-
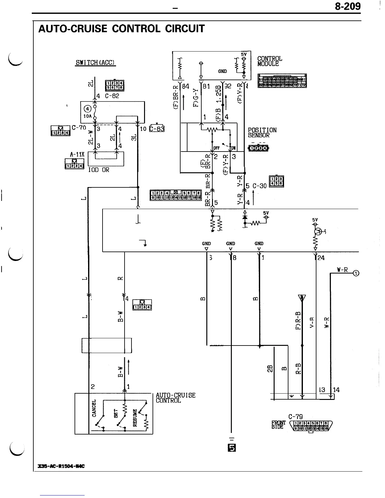
Auto-cruise Control Circuit <A/T>
8-209
(
AUTO-CRUISE
CONTROL
CIRCUIT
<A/T> DOHC (CALIFORNIA)
I
IGNITION
SWITCHtACC)
I
sv
%
GND
B
-
-
‘4
Lh
I
t
I
91
$92
4
:
I
>
G
I
J
cu
iz
i
2
s
m
I
154
lzz!l
I\ /\
i
I
I
I
L
I
I
ENGINE
!iE%ffL
c-54
37
\I
*Y
2
,
Y
3
%i
>
g:
0
G-1
fx
c-29
I3
13
G+
t
.t ,h
Y
E&5
F
>L
A
J/B
C-
THROTTLE
;$W&ON
R-05
STORAGE
CONNECTOR
Ll
J 20
I
-I
1
-vwJf
GND
GM]
GND
I
V
-
m
14
“18
---------
3
\g4
c-57
lza
1234
?
m
CLOCK
SPRING
3
al
a
%
m
&
4 5 16
I-
"
y
I
I
?
a
I
2
1
74
s
l-3
;:
ki
al
!z
_
2
.
.
E
#TTIWCEUISE
SWITCH
DATA LINK
CONNECTOR

Table of Contents

Related product manuals