EasyManua.ls Logo

Dodge Stealth 1994 - Page 294

Dodge Stealth 1994
434 pages
Print Icon
To Next Page IconTo Next Page
To Next Page IconTo Next Page
To Previous Page IconTo Previous Page
To Previous Page IconTo Previous Page
Loading...
8-292
CHASSIS ELECTRICAL
-
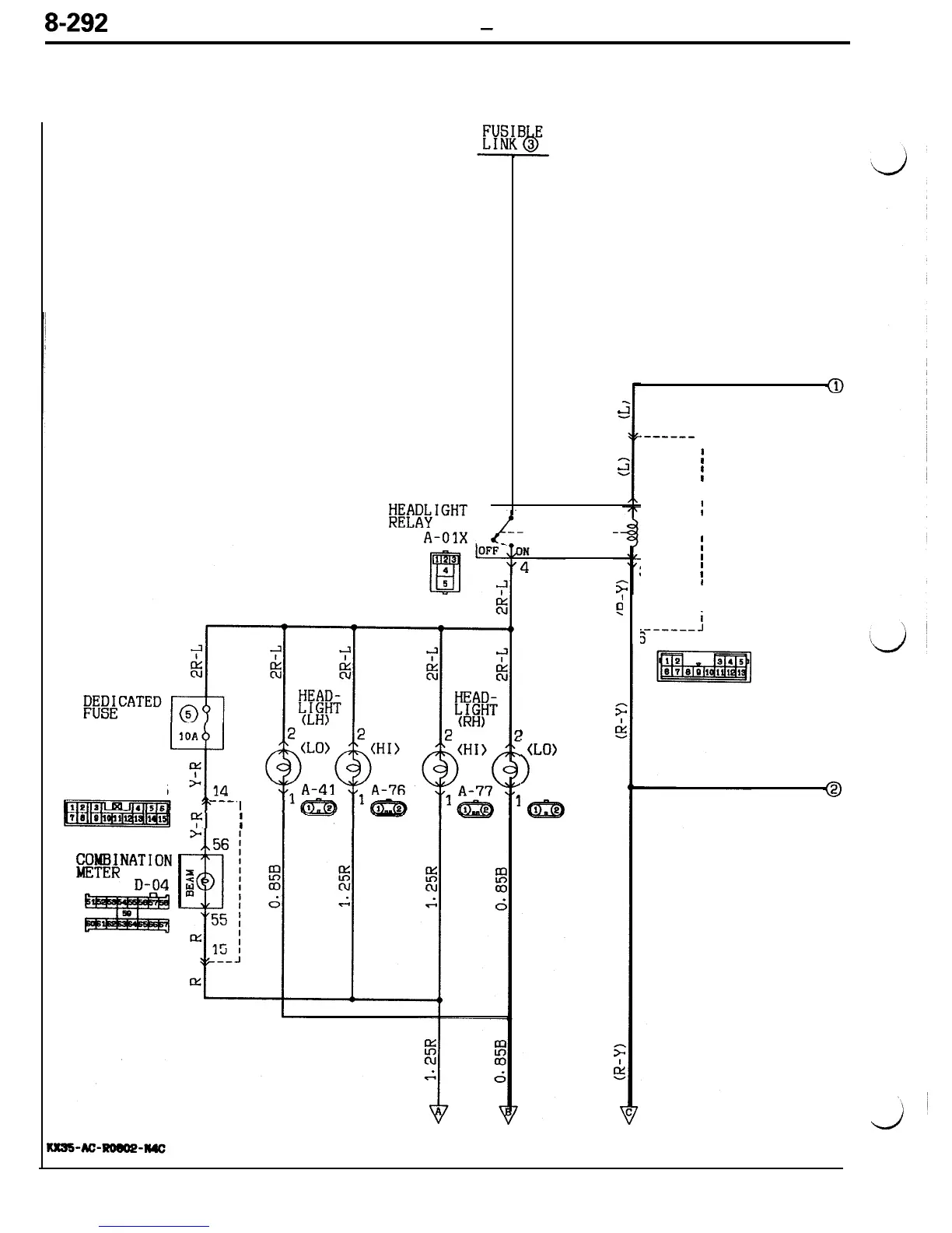
Lighting System
<VEHICLES WITH THEFT-ALARM SYSTEM>
CIRCUIT DIAGRAM
D-45
CO2OkNATION
1
I
i;W&IGHT
A-01X
r
t
.
:
5
1
'(LO>
>
A-61
cm
.----__
1
1
I
f
I
1
I
I
I
1
i
I
3
I
I
i
.-e----J
3
c-31

Table of Contents

Related product manuals