EasyManua.ls Logo

Dodge Stealth 1994 - Page 320

Dodge Stealth 1994
434 pages
Print Icon
To Next Page IconTo Next Page
To Next Page IconTo Next Page
To Previous Page IconTo Previous Page
To Previous Page IconTo Previous Page
Loading...
8-318
CHASSIS ELECTRICAL
-
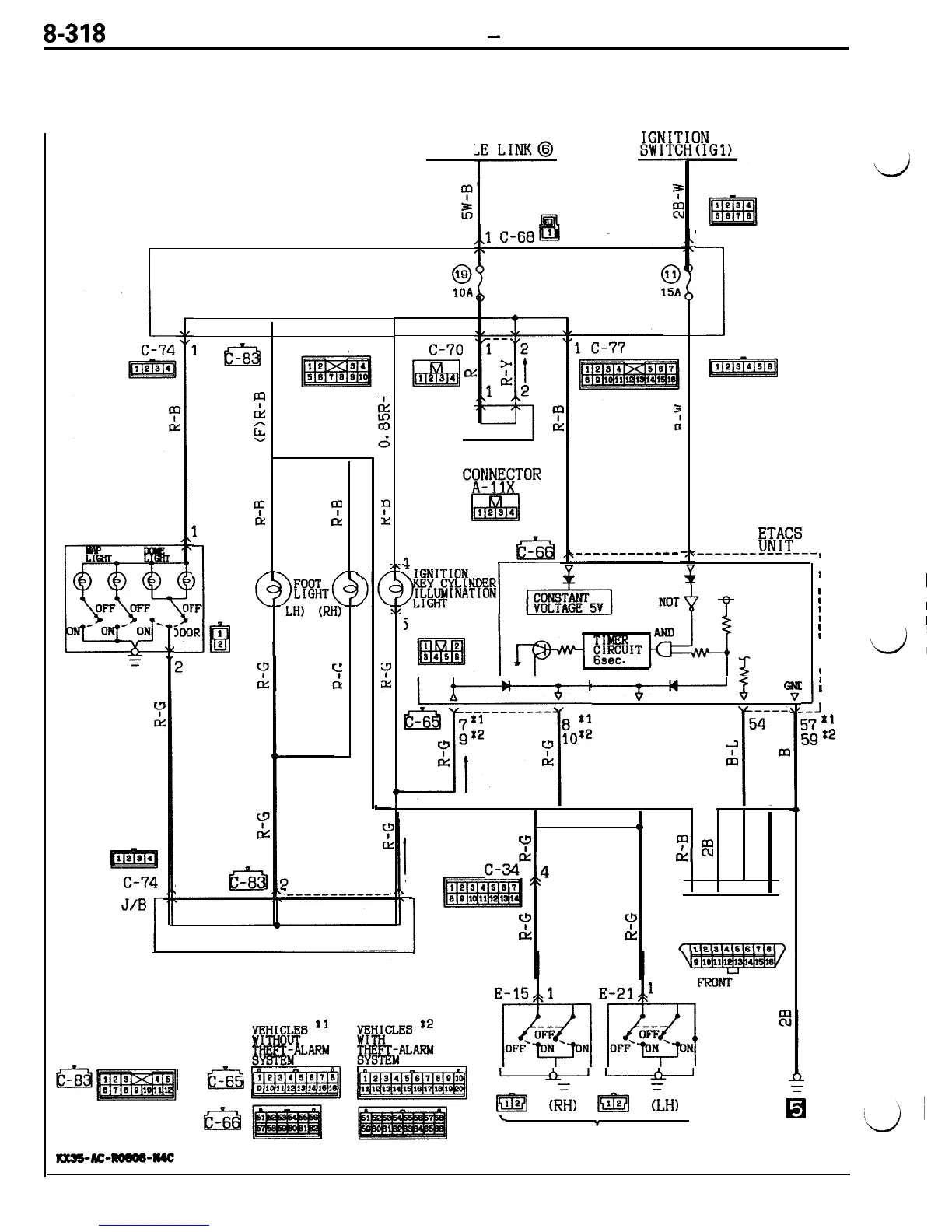
Lighting System
DOME LIGHT, FOOT LIGHT AND IGNITION KEY CYLINDER ILLUMINATION LIGHT
CIRCUIT
CIRCUIT DIAGRAM
FUSIBI
d
7 C-82
I
J/B
63
1OA
0
15A
3
c-70
lza
12.34
Qz
r
3 C-80
pHmq
I
0
-8
1
C-81'
m
cf
lx
G
IOD OR
STORAGE
Ci!iVVgTOR
m
12so
\
/
m
I
m
cc
.LH)
Wi)
-67 C-3:
c
d
51
52
BiF
.------------
'--------------,
2
E
-6
i
C-58
1
DOME
)
LIGHT
'F
E-05
i
I
I
I
I
I
I
I
I
I
I
1
I
g7’*
1
59'2
I
I
I
dl
-IQ
5&t
I
2
a-
G
Aia~-------~;;
-r”-
t
I
0
CT
EFm
lxm
m
c-34=4
164 9 5
1
/c
I
DATA LINK
CT
9
CONNECTOR
IY
oz
c-79
SIDE
--
ml
&
ml
(LHI
L
*
DOOR SWITCH
c
d
4
c
-83
:_---------_
H
ial
-6

Table of Contents

Related product manuals