EasyManua.ls Logo

Dodge Stealth 1994 - Page 86

Dodge Stealth 1994
434 pages
Print Icon
To Next Page IconTo Next Page
To Next Page IconTo Next Page
To Previous Page IconTo Previous Page
To Previous Page IconTo Previous Page
Loading...
CIRCUIT DIAGRAMS
-
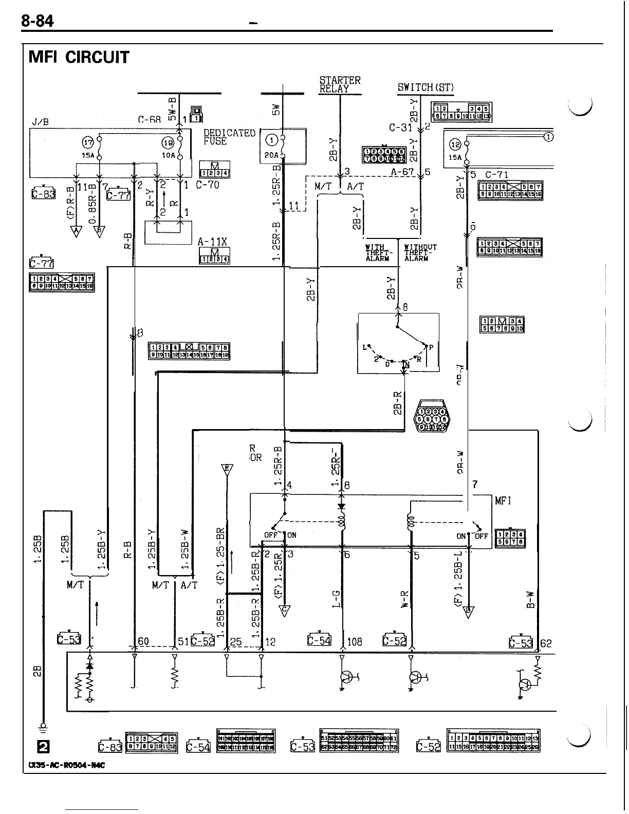
MFI Circuit <DOHC NON TURBO>
MFI
CIRCUIT
<DOHC NON TURBO> (FEDERAL
CANADA)
FUSIBLE LINK@
AND
IGNITION
SWITCHtST)
BATTERY
0
L
20A
m
10A
1
%
1
17r
5--
l
&
L1:
2 1
d
lizil
1234
c-70
IOD OR
STORAGE
CONNECTOR
A-11X
lisa
12a4
5
D-44
T
WITH
iE!a-
WITHOUT
Em-
3
1
?
3
Et
PNP
.\8
SWITCH
/\
r
4 D-15
f!i%Eq
3
c-29
-
.I
7 B-26
:!
VOLUME AIR
g
FLOW SENSOR
j
1
,T
;
L
Ii-
I
m
1
k5
cu
7
MFI
RELAY
c-44
1
al,
-5
108
Ed_
-5 8
I
A/T
I
7-l-----
c
-8
a
-5
e
-5
ol
-5
K%-AC-ROSO4-MC

Table of Contents

Related product manuals