EasyManua.ls Logo

Dodge Stealth 1994 - Page 98

Dodge Stealth 1994
434 pages
Print Icon
To Next Page IconTo Next Page
To Next Page IconTo Next Page
To Previous Page IconTo Previous Page
To Previous Page IconTo Previous Page
Loading...
CIRCUIT DIAGRAMS
-
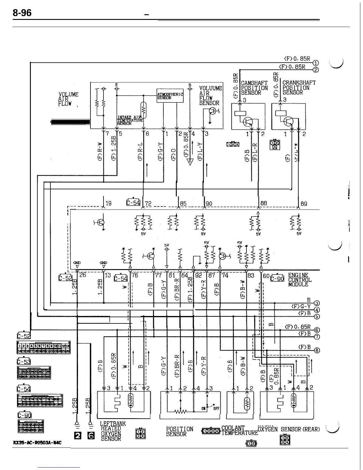
MFI Circuit <DOHC NON TURBO>
MFI CIRCUIT <DOHC NON TURBO> (CALIFORNIA) (CONTINUED)
',F>O.85R
I
I%
(F>O.85R
g
SENSOR
B-29
B-40
m
g:
m;J
gg
II
I
B-41
1
m
G
J
r_-
_______
119
-172
____
---A&-----LW----me------l!!--m------J39
I
I
V
A
V
A
A
A
I
I
I
i
:
j
I
LJ
I
]
i
B
L--
l
d
h’
J
I-I
LEFTBANK
B-16
THROTTLE
B-05 ENGINE
;;;WT,AON
RIGHT BANK HEATED
;
~}#&J&~~~EOXYGEN
SENSORtREAR)
SENSOR
B-44
(FRONT)
B-02
@@
\
d
L
KXSS-AC-ROSOU-MC

Table of Contents

Related product manuals