EasyManua.ls Logo

Evector SportStar RTC - Page 231

Default Icon
354 pages
Print Icon
To Next Page IconTo Next Page
To Next Page IconTo Next Page
To Previous Page IconTo Previous Page
To Previous Page IconTo Previous Page
Loading...
MAINTENANCE MANUAL
ERTC022-10-AS
Effectivity: All
71-60
Page 71-25
2017-12-22
Edition 2 | Rev. 0
(o) Install the engine cowlings (Section 71-10).
(p) Connect the battery, switch the electrical network on.
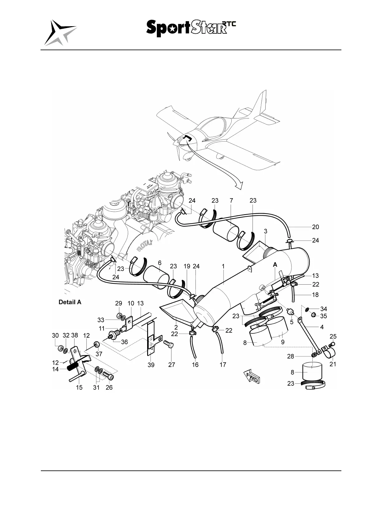
Fig. 71–7 Airbox removal / installation (page 1 of 2)

Table of Contents

Related product manuals