EasyManua.ls Logo

GE Infinity M Series - Frame Mounting and Anchoring

GE Infinity M Series
90 pages
Print Icon
To Next Page IconTo Next Page
To Next Page IconTo Next Page
To Previous Page IconTo Previous Page
To Previous Page IconTo Previous Page
Loading...
NE-M Installation Guide H5692448
850050111 Issue 03 August 2017 17
Anchor Frame
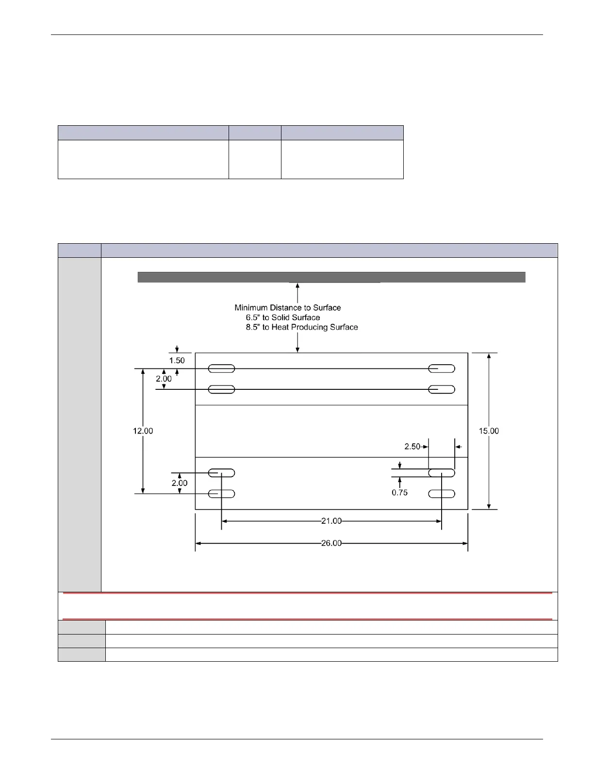
Ventilation space is required to the rear of the equipment: 4” to solid surface, 6” to heat producing surface.
Floor Mounted Frame
Using the 847135688 Floor Anchor Kit (recommended):
Anchor Type (Hilti) Wrench Torque
(4) 12 mm Cap Bolts 19 mm
720 in-lb
60 ft-lb
82 Nm
Note: If using Equivalent Floor Anchors, make sure the floor anchors are rated for this application.
Note: An optional Supplemental Frame (without controller) may be located on either side of the Initial Frame (with
Millennium II controller).
Step Action
Figure 12 Frame Mount Footprint
6 ft. and 7ft Frames
CAUTION: Health Hazard
Follow safe floor drilling procedures to prevent possible asbestos exposure.
1
Drill anchor holes.
2
Place frame and install floor anchors per manufacturer requirements.
3
Repeat for Supplemental Frame, if it is to be installed.

Table of Contents

Related product manuals