EasyManua.ls Logo

GE PACSystems RX7i - Argument Present

GE PACSystems RX7i
469 pages
Print Icon
To Next Page IconTo Next Page
To Next Page IconTo Next Page
To Previous Page IconTo Previous Page
To Previous Page IconTo Previous Page
Loading...
Chapter 4. Ladder Diagram (LD) Programming
202 PACSystems* RX7i, RX3i and RSTi-EP CPU Programmer's Reference Manual GFK-2950C
4.11.1 Argument Present
The ARG_PRES function determines whether an input parameter
value was present when the function block instance of the
parameter was invoked. This may be necessary if the parameter is
optional.
This function must be called from a function block instance or a
parameterized block.
The standard output parameter ENO is false only when EN is false.
Operands for ARG_PRES
Parameter
Description
Allowed Operands
Optional
IN
Parameter name. Must be a parameter of the function
block that contains the ARG_PRES instruction. Cannot
be an array element or structure element. An alias to
a parameter should resolve only to the parameter
name.
All except flow and constants.
No
Q
True if the parameter is present, otherwise false.
Must be flow in LD. In other
languages all types allowed
except S, SA, SB, SC and
constants.
No
Example for ARG_PRES
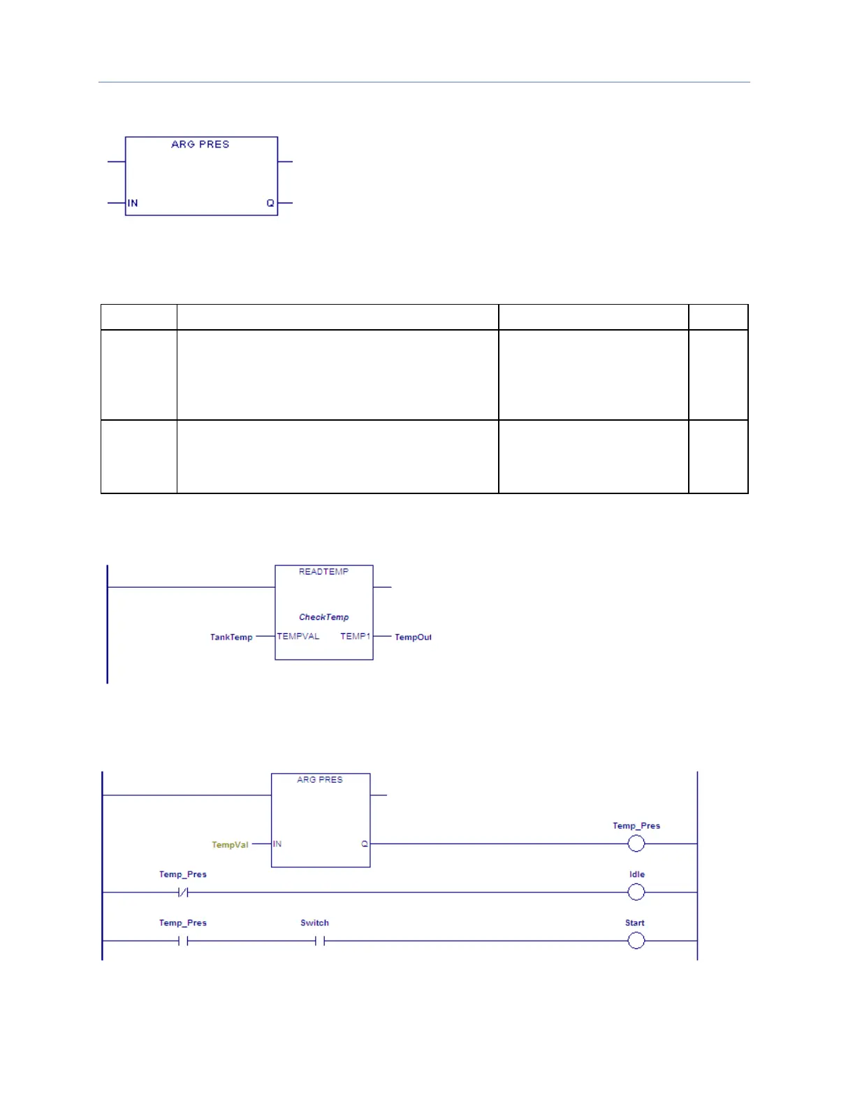
The following sample rung calls the user defined function block, ReadTemp, which has two
parameters, TempVal and Temp1.
The function block ReadTemp contains the following logic, which uses an ARG_PRES function to
determine whether a value for TempVal is present. If TempVal does not have a value, Temp_Pres is
OFF and Idle is ON. If a value exists for TempVal, the ARG_PRES function sets Temp_Pres ON. When
Temp_Pres and Switch are both ON, Start is set ON.

Table of Contents

Other manuals for GE PACSystems RX7i

Related product manuals