EasyManua.ls Logo

GE PACSystems RX7i - Page 245

GE PACSystems RX7i
469 pages
Print Icon
To Next Page IconTo Next Page
To Next Page IconTo Next Page
To Previous Page IconTo Previous Page
To Previous Page IconTo Previous Page
Loading...
Chapter 4. Ladder Diagram (LD) Programming
230 PACSystems* RX7i, RX3i and RSTi-EP CPU Programmer's Reference Manual GFK-2950C
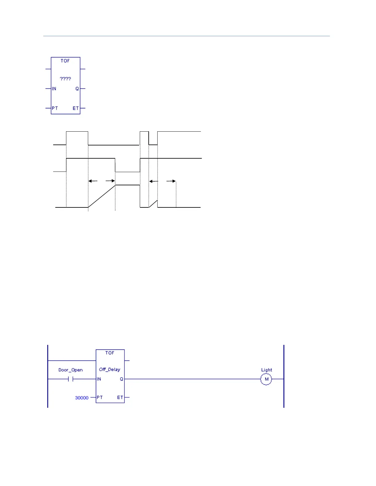
Timer Off Delay
When the input IN transitions from ON to OFF, the timer starts timing until a
specified period of time (PT) has elapsed, then sets the output Q to OFF.
Timing Diagram
t0
t1
t2
t4
t5
IN
Q
ET
t3
PT
PT
t0
When input IN is set to ON, the output Q follows and remains ON. The elapsed time, ET, does
not increment.
t1
When IN goes OFF, the timer starts to measure time and ET increments. ET continues to
increment until its value equals the preset time, PT.
t2
When ET equals PT, Q is set to OFF and ET remains at the preset time, PT.
t3
When input IN is set to ON, the output Q follows and remains ON. ET is set to 0.
t4
When IN is set to OFF, ET, begins incrementing. When IN is OFF for a period shorter than that
specified by PT, Q remains ON.
t5
When IN is set to ON, ET is set to 0.
Example
In the following sample rung, a TOF function block is used to keep Light ON for 30,000ms (30
seconds) after Door_Open is set to OFF. As long as Door_Open is ON, Light remains ON.

Table of Contents

Other manuals for GE PACSystems RX7i

Related product manuals