EasyManua.ls Logo

Harris Constellation - USED CAPACITY and PROTECTION; Figure 6-2: Example of DS3 Channel with Partial Add;Drop, Back-To-Back Terminals; Figure 6-3: Example of a DS3 Channel Dropping 28 T1

Default Icon
264 pages
Print Icon
To Next Page IconTo Next Page
To Next Page IconTo Next Page
To Previous Page IconTo Previous Page
To Previous Page IconTo Previous Page
Loading...
Harris Corporation Constellation™
Configuring the Constellation Radio 6-3
CONFIGURING THE
CONSTELLATION
RADIO
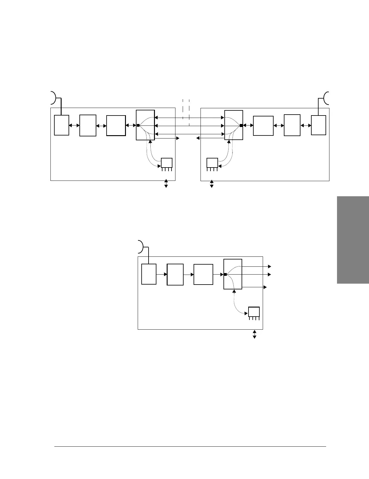
Figure 6-2: Example of DS3 channel with partial add/drop,
back-to-back terminals
Figure 6-3: Example of a DS3 channel dropping 28 T1
USED CAPACITY and PROTECTION
Each M12 Unit can transmit and receive four DS1 signals. Select the number of
tributaries you are using. See Table 6-2.
n
DS3-1
DS3-2
DS3-3
RF
shelf
HLM
Modem
ACU
RF
shelf
HLM
Modem
ACU
T1 signals
n x T2
Customer
(Add/Drop)
n
M12 Unit(s)
T1 signals
n x T2
Customer
(Add/Drop)
DS3-1
DS3-2
DS3-3
DS3
Customer interface
NOTES
n = Number of M12 Units (1 to 4)
T2 = 4 DS1 = 1 M12
T3 = 7 T2 = 28 T1
M12 Unit(s)
Wayside
DS1
DS1
1-7
DS3-1
DS3-2
RF
shelf
HLM
Modem
ACU
28 DS1s
Customer
M12 Units
Wayside
DS1

Table of Contents

Other manuals for Harris Constellation

Related product manuals