EasyManua.ls Logo

Hisense AHS-080HCDSAA-23 - Page 81

Hisense AHS-080HCDSAA-23
448 pages
Print Icon
To Next Page IconTo Next Page
To Next Page IconTo Next Page
To Previous Page IconTo Previous Page
To Previous Page IconTo Previous Page
Loading...
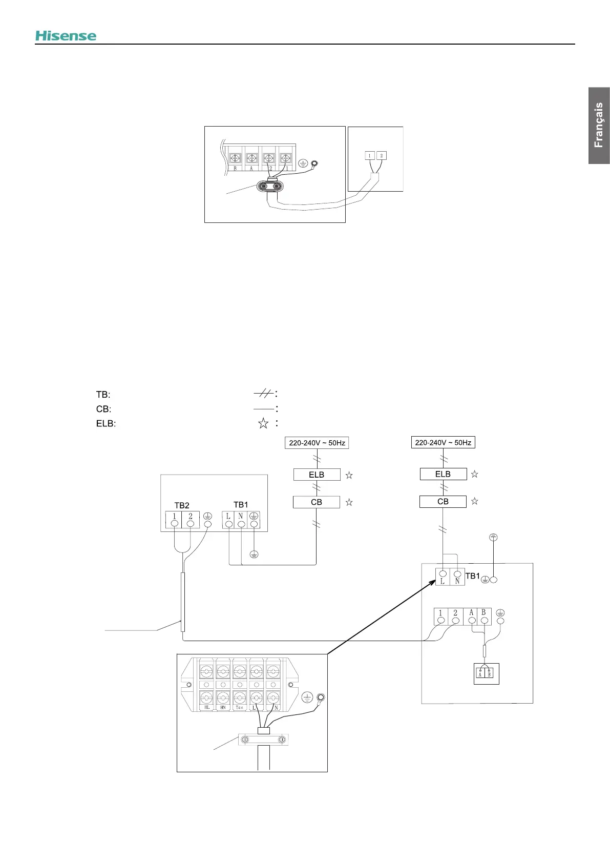
10.3 CONNEXIONS DU BORNIER
10.3.1 Câble de transmission unité intérieure/groupe extérieur
La transmission est branchée aux bornes 1-2.
La couche de blindage doit être mise à la terre.
Unité intérieure
Groupe
extérieur
TB4 sur PCB4
Colliers xés
Câble blindé
Utilisez des câbles à paire torsadée (0,75 mm²) pour le câblage de transmission entre le groupe extérieur et l'unité intérieure. Le
câblage doit comprendre des câbles à 2 brins (n’employez pas de câbles de plus de 3 brins).
Pour le câblage de transmission, utilisez des câbles blindés d'une longueur inférieure à 300 m et d'un diamètre conforme aux
normes locales, an de protéger les unités des interférences sonores.
Si vous n'utilisez pas de conduit pour le câblage sur site, xez des bagues en caoutchouc sur le panneau avec de l'adhésif.
! ATTENTION
Assurez-vous que le câblage de transmission n'est pas connecté par erreur à des composants actifs, ce qui pourrait endommager la PCB.
10.3.2 Bornier 1 (alimentation principale)
Les branchements de l'alimentation principale se font au niveau du bornier 1 (TB1) de la façon suivante :
Fourni sur site, non inclus avec l’unité intérieure
Contrôleur principal
Colliers xés
Câbles de transmission
blindés à paire torsadée 
0,75 mm
2
x 2
Bornier
Groupe extérieur de
pompe à chaleur
Unité
intérieure
à pompe à 
chaleur
Câble de terre
TB4 sur PCB4
Câble
de terre
Câbles de transmission
Câbles d'alimentation
Disjoncteur à coupure dans l’air
Disjoncteur de fuite à la terre
! ATTENTION
Connectez l’alimentation et le câble de mise à la terre
au faisceau.
Assurez-vous que la ligne de tension et la ligne zéro des
borniers de l’alimentation électrique sont correctement
branchées. Si ce n’est pas le cas, certains composants
risquent d’être endommagés.
RÉGLAGES DE COMMANDE ET RÉGLAGES ÉLECTRIQUES
27

Table of Contents