EasyManua.ls Logo

Hitachi DZ-MV2000E - On-Screen Information

Hitachi DZ-MV2000E
152 pages
Print Icon
To Next Page IconTo Next Page
To Next Page IconTo Next Page
To Previous Page IconTo Previous Page
To Previous Page IconTo Previous Page
Loading...
48
123
On-Screen Information
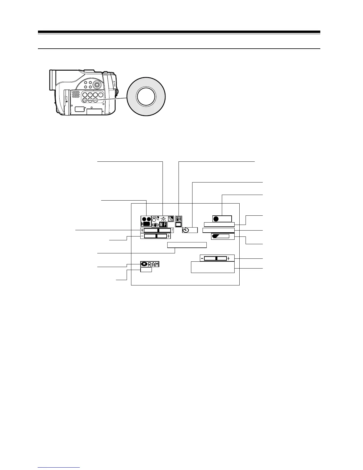
Various types of information will appear in the viewfinder or on the LCD screen during recording.
INFORMATION DISPLAY DURING RECORDING
See the next page for details.
DISPLAY
10
3 0 MIN
0:00:00
FINE
REC
DISC ACCESS
REM
8:00
30/ 9/2006
The above screen is an example for explanation:
It is different from the actual display.
e 2. Programme AE
j 3. White balance
n 4. EIS
o 5. Manual Focus
m 6. Backlight compensation
1. Recording mode
11. Zoom
12. Exposure correction
Warning message
13. Disc/Card type
14. Movie recording quality
p 7. Microphone filter
l 8. 16:9 mode
9. Self-timer
10. Recording status
Movie recording time
15 Remaining space
on disc/card
16 Remaining
battery level
17. Volume
Current date/time

Table of Contents

Related product manuals