EasyManua.ls Logo

HP Portable PLUS - Page 142

HP Portable PLUS
177 pages
Print Icon
To Next Page IconTo Next Page
To Next Page IconTo Next Page
To Previous Page IconTo Previous Page
To Previous Page IconTo Previous Page
Loading...
10·16
Reference
Information
Portable
PLUS
Computer
45711-60912
peA
GNOD
25V
,)2
t
Xl
I
~
~
C21
-c=::r
-c=::r
R16
C17
U17
c::=::J
UIB
Q4 Q3
0
TI~'~
0
C19
0
CJ-
CR2
§
Rl1
-c::::::J-
RS
rn>TI
888888
RID
-c::::::J-
R7
-D
CRI
45711-90042
020
-c::::::J-
RS
c::=::J
CIS
REV
A
U2
RS
-c::::::J-
-c::::::J-
RS
o
R13
0
-c::::::J-
R4
o
VRI
>
IUl3
0
c::=::J
C3
R
'"
.
Ql
u
D
05
Ul3
c::=::J
-c::::::J-
R3
~t
U16
l~tU15
C13
I
UIS
I
Ul1+
D>
>
I
Cl
UID
R2
0 I
I
us
~O?
U3
RIO
I
I
U7
I
us
U4
GO? IO?
I
50?
I
DO?
I
Ull
Cl~
'cs
GO?
lUI
U9
CS,
us
GO? IO?
IU12
,)1
~O?
IO?
I
I
I
MACE
IN
U.S.A.
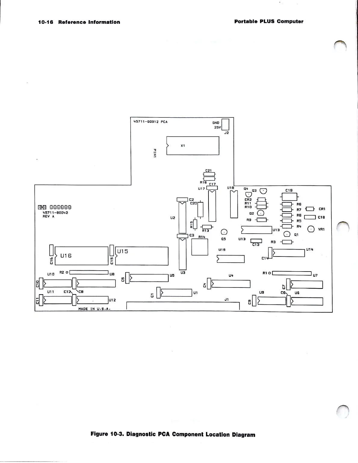
Figure 10·3. Diagnostic
PCA
Component Location Diagram

Table of Contents

Related product manuals