EasyManua.ls Logo

HP Portable PLUS - Page 163

HP Portable PLUS
177 pages
Print Icon
To Next Page IconTo Next Page
To Next Page IconTo Next Page
To Previous Page IconTo Previous Page
To Previous Page IconTo Previous Page
Loading...
Portable
PLUS
Computer
MOTHERBOAR
O
TO
ME
MORI
B 0 I R 0
CONNECTORS
J I J 1
P
"
-ll
'
-
-- --
--;
D-
D-;;-S
-
;-------~==-----
-
---
-
-
---------
-
-
-
-'
'"
.,.
...
.
" .
00
..
.
00
".
"
."
1
/1,*
"
'"
liE"
I<
."
.
1115
"
un
uu
lllt
,
101
1
51
,
"11
III)
u.
::!~
11\
~
IDIL
""
1011
UI
...
.
..
.
..
'"
,
...
_l U : : :
00
'"
"
'"
...
,
.
..
. 11
II
.
..
. "
..
..,
. 11
"
..
,
'DO
U
.
..
._
-
" .
w
'
~~~~
'
/
~
"
il(
}
Il(
1111
II
II"
II.
II
It
...
H
10
IU
' H
If
l.
b/"
·
-
,,
--l';,oJ
I
~,.L,
-__,
U I
U 14
I
tsl
V
filII'
U2
!
CP
U CI
RC
UITR Y
lllCHES
l
---1~
:I:I:
~
~!'II:
:::
~
~
~I
:
!:
~~~
~~I:
:
~~
I I I
DI2
Ul
II
l : :
: ,1 i
::;
~:;
:;
I
.
1\
1
all
005 I I
I ' I
all
OC7
n
II
I
\I
511
Ol
-ITh
..
no
-.u...
IC
C U
Dr-v
U I
__
__
____
___
_
_______
~
_____________________
__
J
r
--
------------------
-.
-1
-
.-
.---
..
-... -.--
.--
-
.----
..
----.--
.
-
---~-'
.
-..
~:--~
. -
,
1
r-----;tO~1C
R35
J C
LOCK
CIRClJl T
RY
: 2
2'
1~
1
rtf
It
:b
r
._
---
--
---
-
--
-
-- --
-
--
-
-
-
-
--~
:
2u.!lICC~Dl
:
l u t :
,.-
:
2..
Ii
IK
I :
"~
II
:'
:
I
~
,H::
' R 36
~
- -
-----
,-;
;-
4------
-
---~
,..
..
----
r
~i;--
-
--
st
"
-"
,
II
u:
,'H
I!
-! I
______
1_~!_~~_~~_~~
_
_____
_____
.,
~
__
__
__ __
____
____
__
_
__
:
,.'_=
!
::~
__
____ :
RI
~
UI4
".
U6
Cll
J;
ICXN
O
ilED
GE
I ,
U1
~
'
I'
IJ
.~
:
U U a I
VECT
OR
'TIt-
.:
' '
.----
11
1 +
1[
Sl
U"
U
21
: :
:_
ua
'rH
±:~
r-
- -
--
-
-- --
--
f :
=H:
=--
---
~--~:
:
~~
~~-
.-
-;-
~
,~
"'''
~
i 1':
',
!!
1!
~
11$
C1 0
11
&S
ue
. : :
I
II~
15
~
4---1
u
t
_
t:=
:
:~
~
II
D:
:
hi;:
"
rr
Ll
I I
=r.
:.
I
Z
,
li
D : :!
I~
: ~
g
H=
: t 2
:!:
:!:HU
:l
¢
II
.rc
c
~
ucs
l
.
:~~,
H-
'
~:
===~
'~'~'~
..
~
·==i========
±=
=~==~====~
'
==~=====
~t
~
!Df
r
/e*
~
*
~
: :
~.
:
IIsn
P:
. U
lT
HJ
fll-i>
C.I
C2J::
It
i
U
Il.~
'
L'-----U~~------~------------
---
~
-l-
!
--~------
~
--------l-
--
---
-
--
-
-
-
---_-
_
--
_
-_--_-_-
-
_
-
_
-
-_
-_--_-
_
-:-----
_-_
--
_
-
_
-
~
-
-~
- ~--
~
-
~
- -
~
-
~--~-~--~-~
--
~-~
-
-~
-
_
l
t
~~
u
~-
L
.-L;
·_-_
-
L-_-_--_-_-
-_
-
_
--
_
-
_
--
-1;
'--
..
_
-
--
-
--
-
--
-
---------
-
------
--
-
---
-
- - -
----
-
-- -- -- --
---
--
-
--
-
---
-
--------
--
- -
--
---- ----
- -
--
~
Diagrams
12
-7
~
'"
" .
'Ie
~---
-
-
-
--
-
-
---
- - -
--
-
--
-
-
----
..
:
DITI
BUS :
~,
BUf
FE
R
CON
TR
OL
1,
!:I'I
:
:
~~
l
g
:: I':
"!
_
:
:
I
~
AI
u
1.
: "un . t
,It
-H-u
: I : : : :
I'
:
L
~:
:
~
:
: ,
It
+t:
~
c
:
\'
0
':
:
::
: I .,'
,
I'
' : U I
:~:
+?-:~:
I U 1I I'
:
4-------f
',
1
,"
::
:
±}::
:~!
'\!--
U
:
,
~
,C[
" I L
l e
: 1
/_
_ I
II
i ,-
d:'
:
'-+-"-'
-'-'--------4
~-
-
---
--
---
-
- -
----
--
- -
-----
-
~
l
al~
10
'
II
II
IS
II
U j ,
~
:I:
:~~:
:
::
~.:
I I
&I
It
U l H 11
a='
"
l U I '
&DDUB
/ t
ll
, SH
lt
lS
I I H n
It
I/I(
U
I1l
1
I.
&I
I I I
Di
ll
, U J 2,
L;.
____
...I..!:
..
C!..-'
!J
..
~
__
_
B
US
n "
BUf
fER
u n
,,-
---_.---
---
-----
--
._-
-------_
......
_ ..
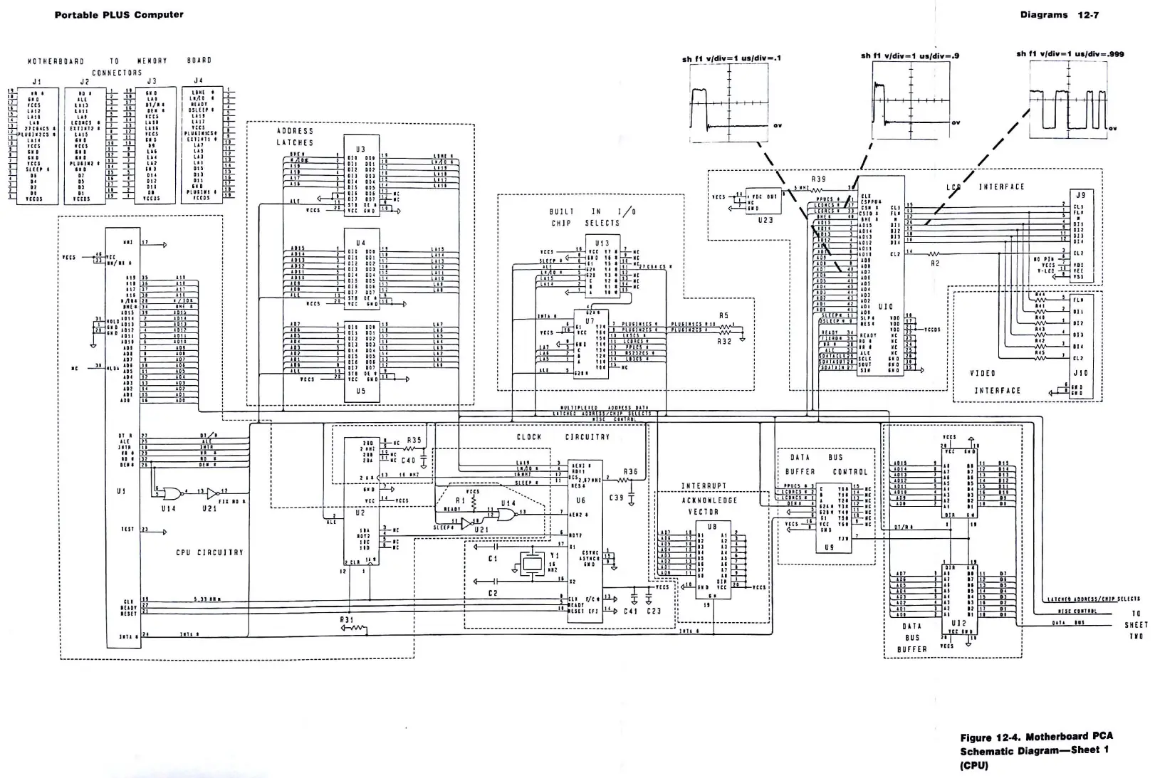
Figure 12-4. Motherboard
PCA
Schematic Di
agram--Sheet
1
(CPU)
10
5
HEEI
n o

Table of Contents

Related product manuals