EasyManua.ls Logo

IAI RCP6S - Page 59

IAI RCP6S
286 pages
Print Icon
To Next Page IconTo Next Page
To Next Page IconTo Next Page
To Previous Page IconTo Previous Page
To Previous Page IconTo Previous Page
Loading...
2. Wiring
Fieldbus Communication
47
RCP6
S
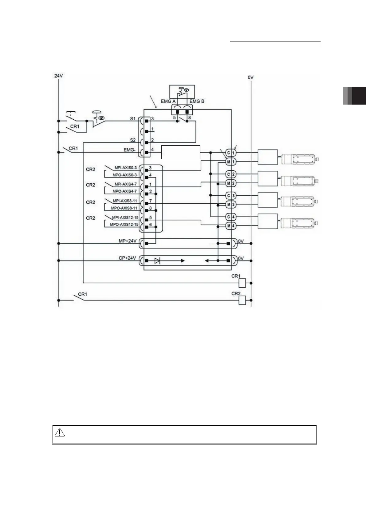
3) Example of stop supplying external motor power at emergency stop input.
Note 1 RCM-P6GW : When there is nothing plugged in the SIO connector, S1 and S2 are
short-circuited inside the controller.
RCM-P6GWG : When there is nothing plugged in the SIO connector, S1 and S2 are not
short-circuited.
To make them short-circuited, have the enclosed dummy plug DP-5
plugged in the SIO connector. [Refer to 2.3.6]
Note 2 When the motor power must be disconnected externally for safety category compliance,
apply a safety rated relay between MPI-AXIS
½
and MPO-AXIS
½
. Choose one that is
capable to open and close with the motor current consumption of the connected actuator
[Refer to 1.2 List of Basic Specifications.]. (
½
: Slot Number)
Note 3 The rating for the emergency stop signal (EMG-) to turn ON/OFF at contact CR1 is 24V DC
and 10mA or less.
Note 4 For CR1, select the one with coil current 0.1A or less.
Caution: When supplying the power by turning ON/OFF the 24V DC, keep the 0V being
connected and have the +24V supplied/disconnected (cut one side only).
Emergency
Stop
Release
Switch
Emergency
Stop Switch
Emergency Stop Switch
on the Teaching Pendant
RCP6S
Gateway Unit
System I/O
Connector
(Note3)
(Note2)
(Note2)
(Note2)
(Note2)
Emergency Stop
Detection Circuit
Drive Cutoff Coeenctor
Axis Power
Supply Connector
(M)
Axis
Control
Connector
(C)
RCP6S Actuators
(MAX. 16 units)
Hub unit 1
Hub unit 4
Hub unit 3
Hub unit 2
Motor Power Supply Connector
Control Power Supply Connector
(Note2)
(Note4)
SIO Connector
(Note1)
Use a hub unit if necessary.
One hub unit can accept four
units of RCP6S actuators at
maximum or a controller for
RCP6S GW to be connected.
In case a hub unit is not to be
connected, connect an actuator
or a controller for RCP6S GW to
the axis control connector.
ME0349-4B

Table of Contents

Other manuals for IAI RCP6S

Related product manuals