EasyManua.ls Logo

Kohler 14RESA

Kohler 14RESA
440 pages
To Next Page IconTo Next Page
To Next Page IconTo Next Page
To Previous Page IconTo Previous Page
To Previous Page IconTo Previous Page
Loading...
TP-6803--NL 1/1530 Sectie 1 Installatie
RXT
3
COM
PWR
B
A
4
PIM
Generatorset
COM
COM
PWR
COM
PWR
PWR
B
A
B
A
B
A
COM
PWR
B
A
COM
PWR
B
A
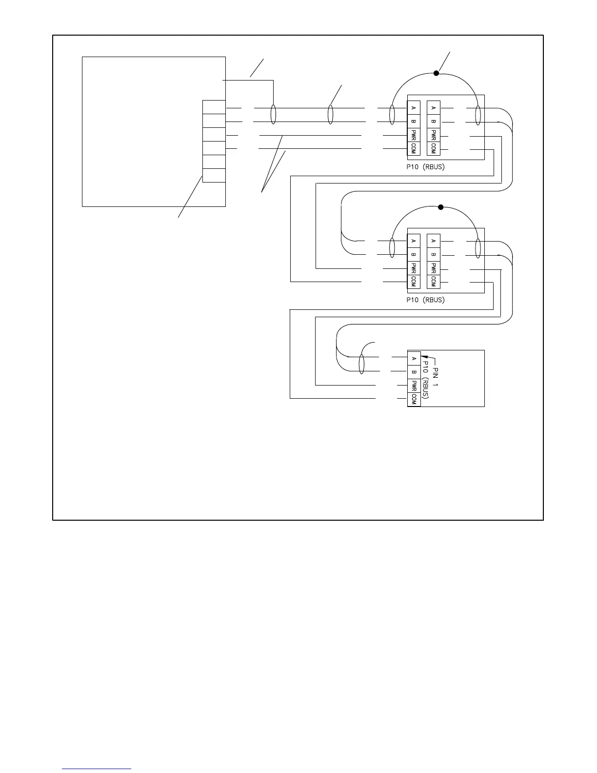
1. Klemmenblok generatorset. Zie Afbeelding 2-4 voor locatie. Raadpleeg de sticker op de generatorset voor de
klemmenblokaansluitingen.
2. Sluit één uiteinde van elke kabelafscherming aan op de GROUND bij de generatorset.
3. Communicatiekabel Belden #8762 of gelijkwaardige 20 AWG afgeschermde, twisted-pair--kabel (één paar).
4. Sluit afschermingen aan zoals weergegeven.
5. Laat één uiteinde van elke kabelafscherming zonder aansluiting bij het laatste apparaat.
6. 12 AWG-- of 14 AWG--draden voor PWR en COM
GND
A
B
COM
PWR
3
4
RBUS
12 V DC
1
2
5
6
Let op: Zie Sectie 1.10.2, kabelspecificaties.
LCM of
lastverlagingsset
Afbeelding 1-25 Accessoiremoduleaansluitingen met 12--14 AWG voedingsaansluitingen

Table of Contents

Other manuals for Kohler 14RESA

Related product manuals