EasyManua.ls Logo

LG Multi V CRUN Series - Wiring Diagrams

LG Multi V CRUN Series
249 pages
Print Icon
To Next Page IconTo Next Page
To Next Page IconTo Next Page
To Previous Page IconTo Previous Page
To Previous Page IconTo Previous Page
Loading...
Service Manual 105
Wiring Diagrams
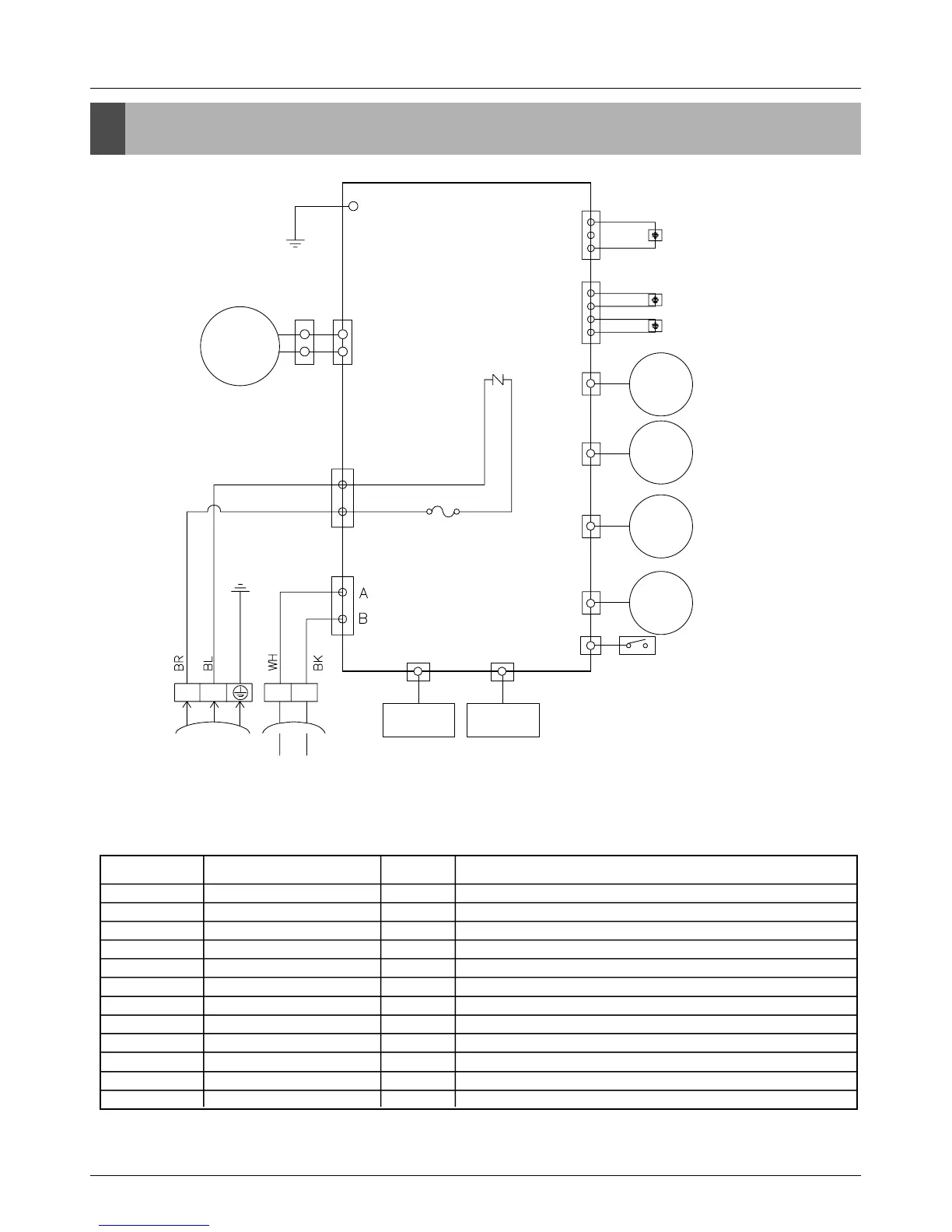
7. Wiring Diagrams
CN-POWER
CONNECTOR
NUMBER
CN-MOTOR2
CN-COM
CN-LEV
CN-POWER
CN-MOTOR2
CN-COM
CN-LEV
AC POWER SUPPLY
BLDC FAN MOTOR OUTPUT
COMMUNICATION
LEV OUTPUT
WHITE
WHITE
WHITE
WHITE
AC POWER LINE INPUT FOR INDOOR CONTROLLER
MOTOR OUTPUT OF BLDC
COMMUNICATION BETWEEN INDOOR AND OUTDOOR
LEV CONTROL OUTPUT
SPEC COLOR DESCRIPTION
CN-DISP1
CN-LEV
CN-DISP1
CN-LEV
CN-LR1
CN-LR2
DISPLAY
LEV OUTPUT
STEP MOTOR
STEP MOTOR
BLUE
WHITE
WHITE
WHITE
DISPLAY OF INDOOR STATUS
LEV CONTROL OUTPUT
STEP MOTOR OUTPUT FOR LEFT/RIGHT
STEP MOTOR OUTPUT FOR LEFT/RIGHT
CN-DISP2
DISPLAY
WHITE
DISPLAY OF INDOOR STATUS
CN-UD
CN-TH1
CN-TH2
STEP MOTOR
ROOM/PIPE SENSOR
DISCHARGE PIPE SENSOR
BLUE
WHITE
RED
STEP MOTOR OUTPUT
ROOM & PIPE THERMISTOR
DISCHARGE PIPE THERMISTOR
34
1(L)2(N)
MOTOR
MAIN PCB ASM
FUSE
AC250V/T2A
TO OUTDOOR UNIT(Transmission)
ZNR
CN-COMM
CN-POWER CN-MOTOR
THERMISTOR
THERMISTOR
STEP
MOTOR
STEP
MOTOR
STEP
MOTOR
LEV
CN-TH2CN-TH1CN-U/DCN-LRCN-SUCCN-LEV
CN-GND
CN-HVB CN-VFD
AIR
PURIFIER
POWER
INPUT
DISPLAY
PCB ASM

Table of Contents

Other manuals for LG Multi V CRUN Series

Related product manuals