EasyManua.ls Logo

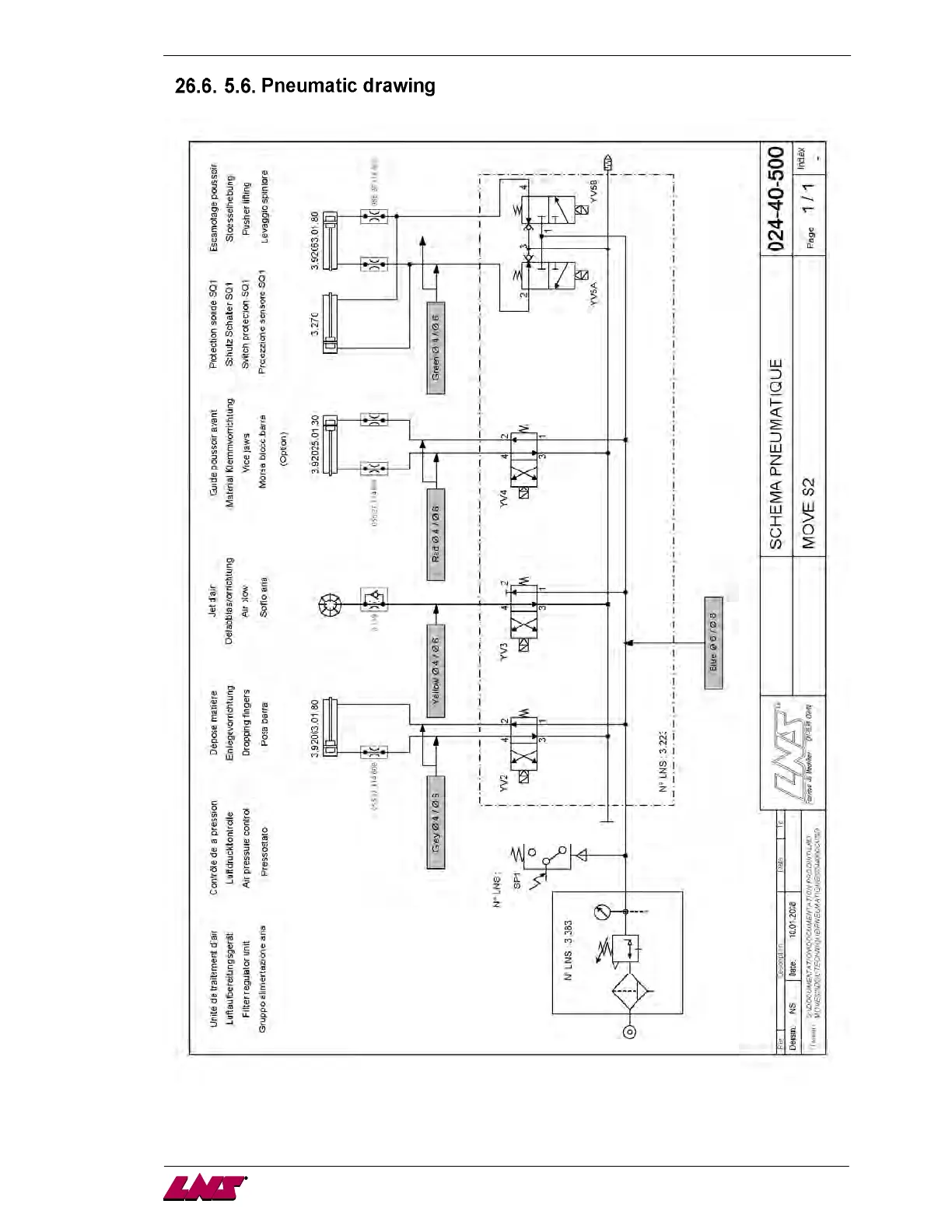
LNS QUICK SIX S2 - Pneumatic Drawing

LNS QUICK SIX S2
83 pages
Print Icon
To Next Page IconTo Next Page
To Next Page IconTo Next Page
To Previous Page IconTo Previous Page
To Previous Page IconTo Previous Page
Loading...
CHAPTER 4: OPERATION 17
MOVE S2

Table of Contents

Related product manuals