EasyManua.ls Logo

Mazda CX-9 2007 - Tire Pressure Monitoring System (Tpms) Wiring Diagram; With Advanced Keyless System; With Keyless Entry System

Mazda CX-9 2007
614 pages
Print Icon
To Next Page IconTo Next Page
To Next Page IconTo Next Page
To Previous Page IconTo Previous Page
To Previous Page IconTo Previous Page
Loading...
WHEEL AND TIRES
02-12–3
02-12
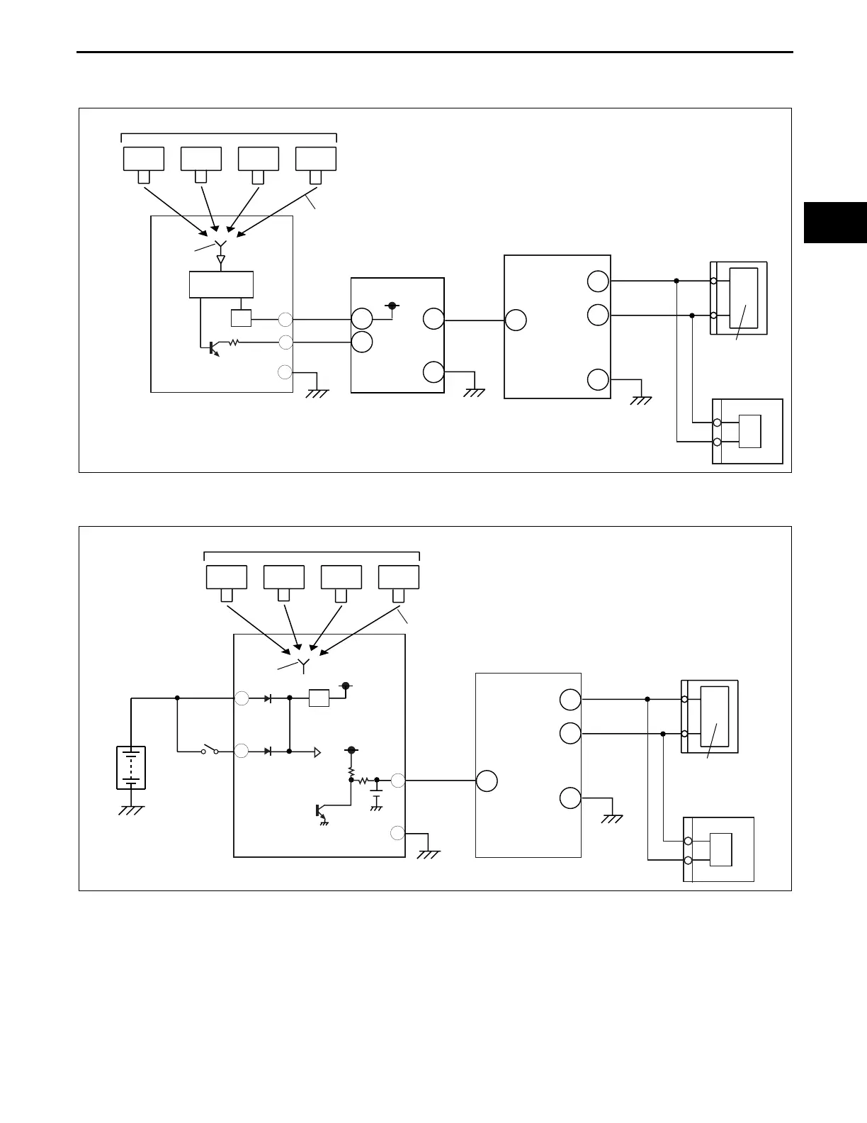
TIRE PRESSURE MONITORING SYSTEM (TPMS) WIRING DIAGRAM
id021200100600
With Advanced Keyless System
With Keyless Entry System
End Of Sie
NO.1
ANTENNA
NO.2 NO.3 NO.4
RF SIGNAL
CAN
DRIVER
CAN_H
CAN_L
PCM
WHEEL UNIT
E
C
A
KEYLESS
RECEIVER
KEYLESS CM
INSTRUMENT
CLUSTER
3Q
1N
1X
1W
1B
2B
DLC-2
3A
3C
ac9uuw00002455
NO.1
ANTENNA
NO.2 NO.3 NO.4
RF SIGNAL
CAN
DRIVER
CAN_H
CAN_L
PCM
WHEEL UNIT
E
D
B
A
INSTRUMENT
CLUSTER
1N
1X
1W
1B
DLC-2
KEYLESS
RECEIVER
ac9uuw00000770
3423-1U-06H(02-12).fm 3 ペー   

Table of Contents

Other manuals for Mazda CX-9 2007

Related product manuals