EasyManua.ls Logo

Mazda CX-9 2007 - Seat Specification; Power Seat System Wiring Diagram

Mazda CX-9 2007
614 pages
Print Icon
To Next Page IconTo Next Page
To Next Page IconTo Next Page
To Previous Page IconTo Previous Page
To Previous Page IconTo Previous Page
Loading...
SEATS
09-13–4
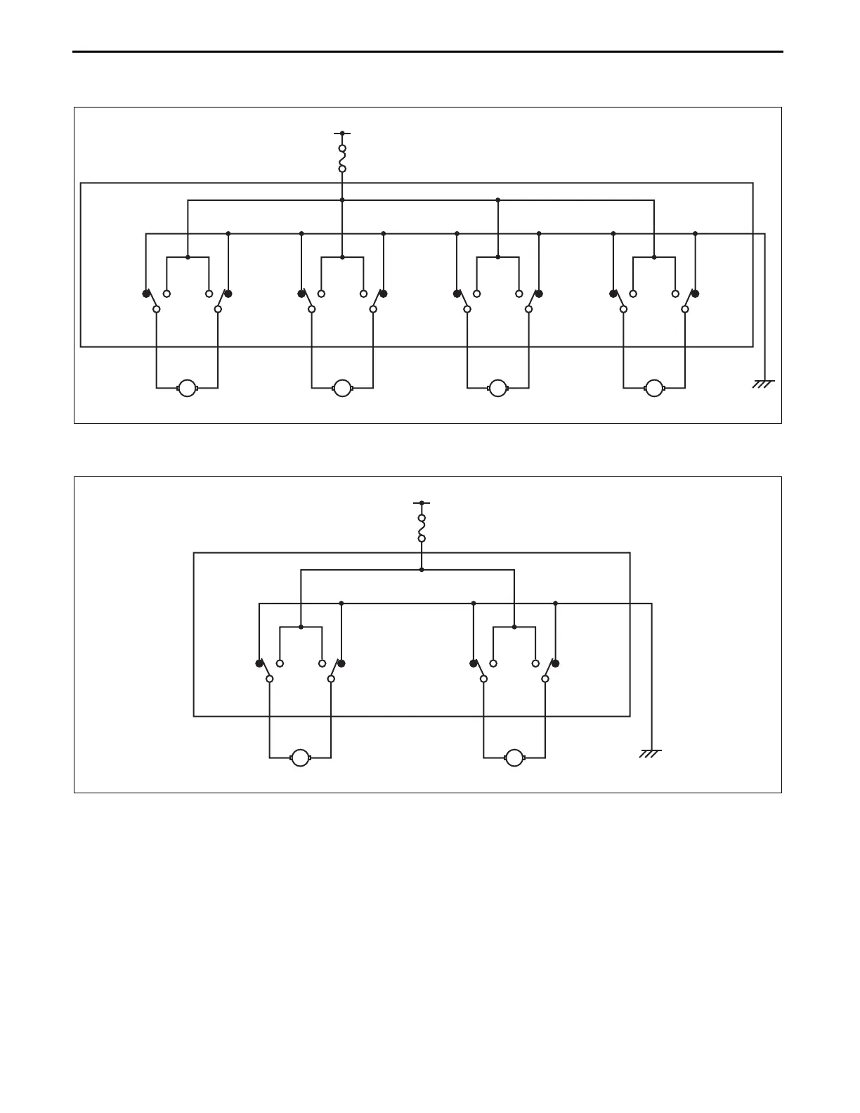
POWER SEAT SYSTEM WIRING DIAGRAM
id091300100400
Driver Seat
Passenger Seat
End Of Sie
M
M
M
M
POWER SEAT SWITCH
B+
UP
DOWN
BACKWARD
FORWARD
FORWARD
BACKWARD
UP
DOWN
REAR TILT MOTOR
SLIDE MOTOR
FRONT TILT MOTOR
RECLINER MOTOR
ac9uun00000580
M
M
POWER SEAT SWITCH
B+
FORWARD
BACKWARD
BACKWARD
FORWARD
SLIDE MOTOR
RECLINER MOTOR
ac9uun00000171
3423-1U-06H(09-13).fm 4 ペー   

Table of Contents

Other manuals for Mazda CX-9 2007

Related product manuals