EasyManua.ls Logo

Mazda CX-9 2007 - Seat Position Memory Wiring Diagram

Mazda CX-9 2007
614 pages
Print Icon
To Next Page IconTo Next Page
To Next Page IconTo Next Page
To Previous Page IconTo Previous Page
To Previous Page IconTo Previous Page
Loading...
SEATS
09-13–7
09-13
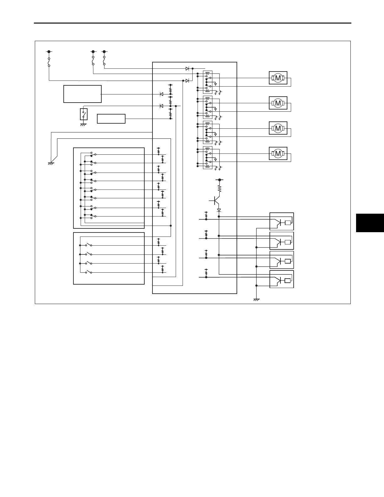
SEAT POSITION MEMORY WIRING DIAGRAM
id091300200200
End Of Sie
BCM
B+ B+
POSITION MEMORY
SWITCH
POSITION MEMORY CONTROL MODULE
INSTRUMENT
CLUSTER
SLIDE MOTOR
FRONT TILT MOTOR
REAR TILT MOTOR
RECLINER MOTOR
POSITION SENSOR
(SLIDE MOTOR)
POSITION SENSOR
(RECLINER MOTOR)
POSITION SENSOR
(REAR TILT MOTOR)
POSITION SENSOR
(FRONT TILT MOTOR)
MEMORY SWITCH 1
MEMORY SWITCH 3
MEMORY SWITCH 2
SET SWITCH
SLIDE SWITCH
RECLINER SWITCH
REAR TILT SWITCH
FRONT TILT SWITCH
POWER SEAT SWITCH
DOOR SWITCH
(DRIVER'S SIDE)
IG1
ac9uun00000299
3423-1U-06H(09-13).fm 7 ペー   

Table of Contents

Other manuals for Mazda CX-9 2007

Related product manuals