EasyManua.ls Logo

Mazda CX-9 2007 - Page 407

Mazda CX-9 2007
614 pages
Print Icon
To Next Page IconTo Next Page
To Next Page IconTo Next Page
To Previous Page IconTo Previous Page
To Previous Page IconTo Previous Page
Loading...
GLASS/WINDOWS/MIRRORS
09-12–15
09-12
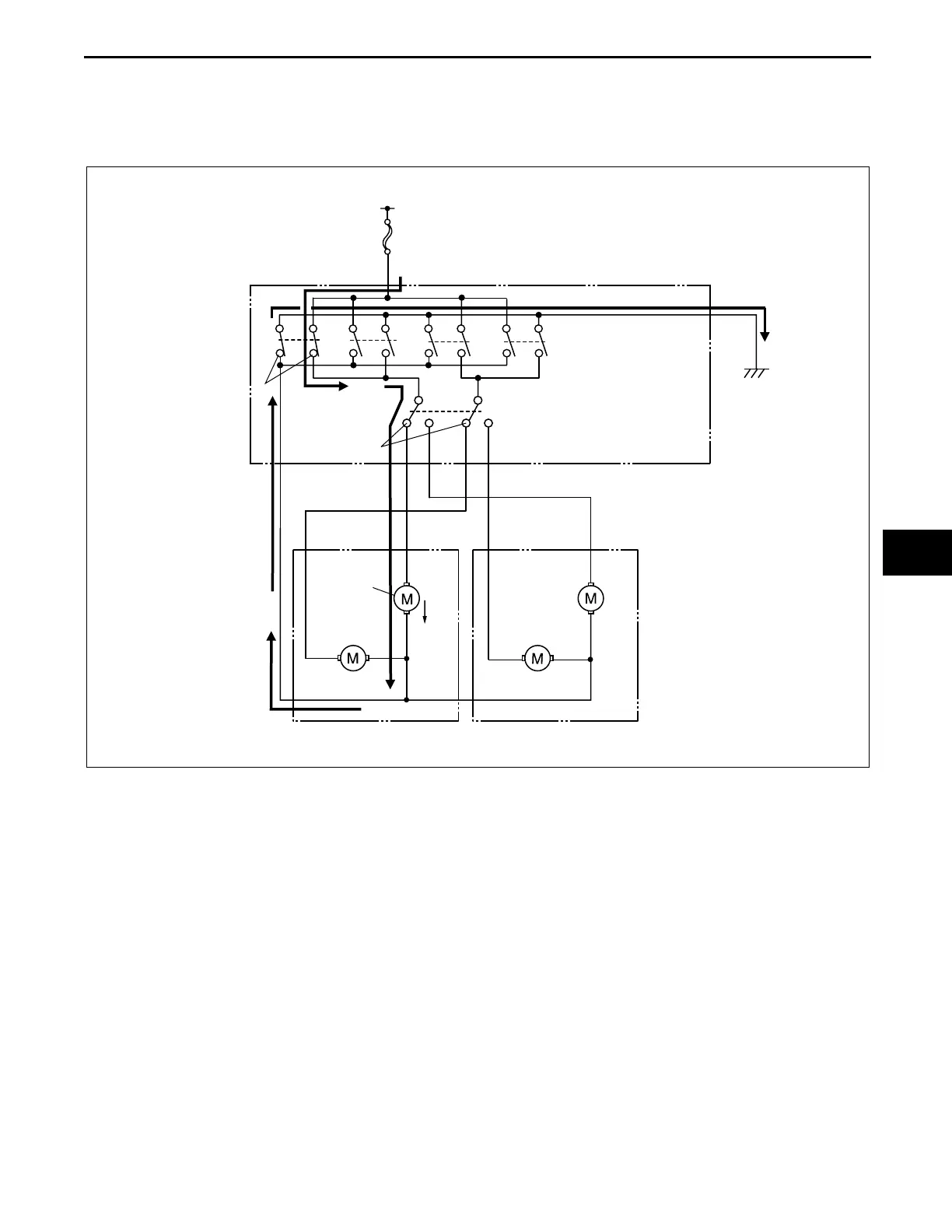
POWER OUTER MIRROR OPERATION
id091200101000
Mirror Glass Adjustment
The left/right selection switch establishes left or right side outer mirror circuit and current is supplied in either
one of the four directions according to the position of the mirror glass adjustment switch. Due to this, the motor
rotates either up or down, left or right.
End Of Sie
LH
ACC
POWER OUTER MIRROR
SWITCH
UP
MIRROR GLASS
ADJUSTMENT SWITCH
LEFT/RIGHT SELECTION
SWITCH
UP
UP/DOWN
ADJUSTMENT
MOTOR
POWER OUTER
MIRROR (LH)
LEFT SIDE OUTER MIRROR IS
MOVED UPWARD
acxuun00000526
3423-1U-06H(09-12).fm 15 ージ 20  

Table of Contents