EasyManua.ls Logo

Micom P631 - Page 128

Micom P631
638 pages
Print Icon
To Next Page IconTo Next Page
To Next Page IconTo Next Page
To Previous Page IconTo Previous Page
To Previous Page IconTo Previous Page
Loading...
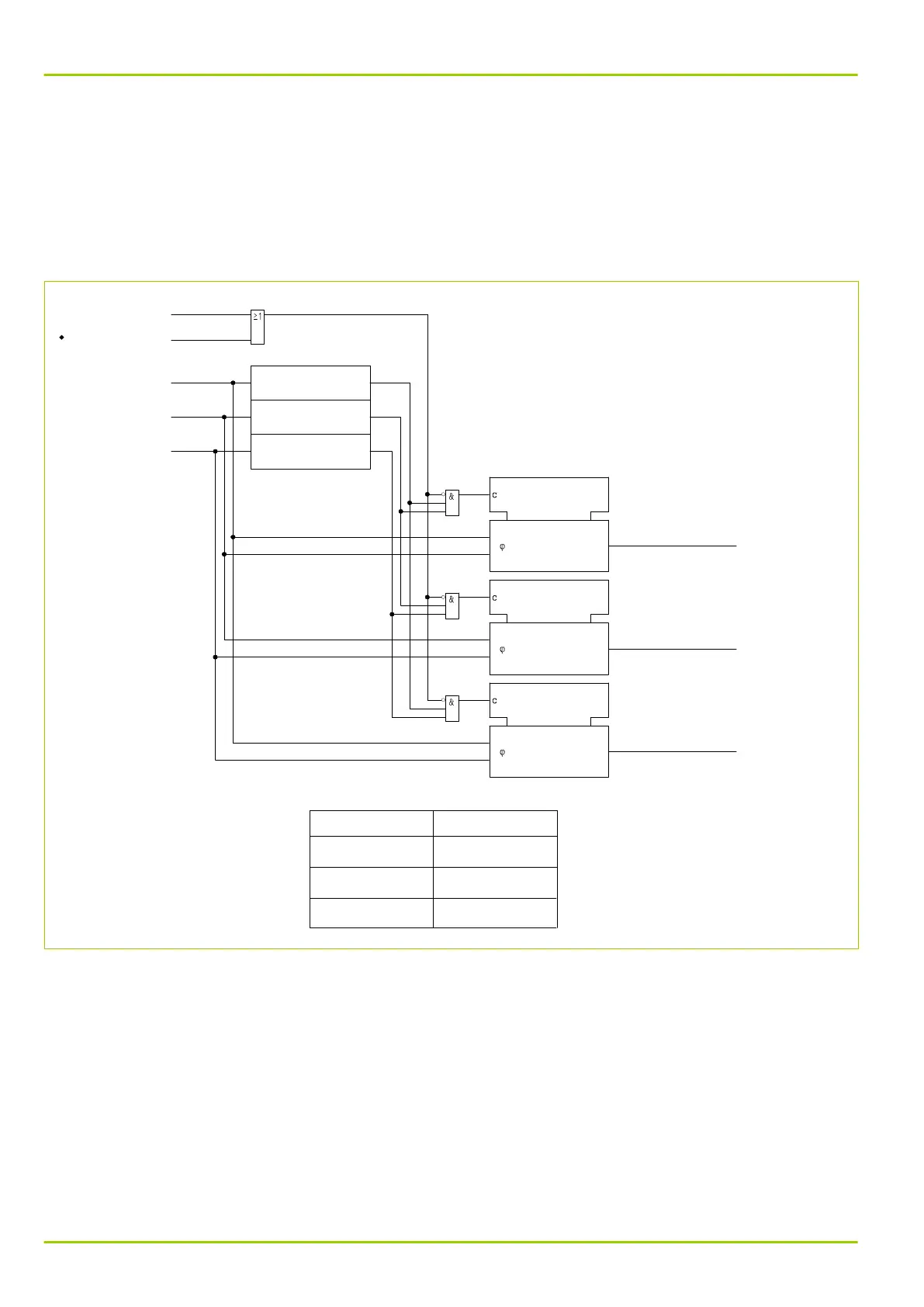
3.12.3.4 Angle Determination
The P631 determines the angle between the following currents if the associated
currents exceed the minimum threshold of 0.033 I
nom
:
Angle between the phase currents for each end of the transformer
Angle between the currents of the same phase between two ends of the
transformer
62Z8049A
MAIN:
Angle phi AB, end a
End a End b
[ 005 089 ]
MAIN:
Angle phi AB, end a
[ 005 089 ]
MAIN:
Angle phi BC, end a
[ 006 089 ]
MAIN:
Angle phi CA, end a
[ 007 089 ]
IA,z
MAIN:
General starting
[ 036 000 ]
MAIN:
Hardware fault
306 018
IB,z
IC,z
> 0.033Inom
> 0.033Inom
> 0.033Inom
MAIN:
Angle phi AB, end b
[ 005 092 ]
MAIN:
Angle phi BC, end a
[ 006 089 ]
MAIN:
Angle phi BC, end b
[ 006 092 ]
MAIN:
Angle phi CA, end a
[ 007 089 ]
MAIN:
Angle phi CA, end b
[ 007 092 ]
Fig. 3-46: Determination of the angle between the phase currents, shown here for end a
P631
3 Operation
3-72 P631/EN M/R-11-C // P631-310-650

Table of Contents

Related product manuals