EasyManua.ls Logo

NMC-WOLLARD 140 - Page 140

NMC-WOLLARD 140
585 pages
Print Icon
To Next Page IconTo Next Page
To Next Page IconTo Next Page
To Previous Page IconTo Previous Page
To Previous Page IconTo Previous Page
Loading...
NMC-WOLLARD 2021Truax Blvd., Eau Claire, WI 54703, Phone (715) 835-3151, Fax (715) 835-6625
M140 Tow Tractor Manual No. 46054
PAGE 3-12
CHAPTER 2 MAINTENANCE
3 REMOVAL AND INSTALLATION
AUGUST 31, 2008
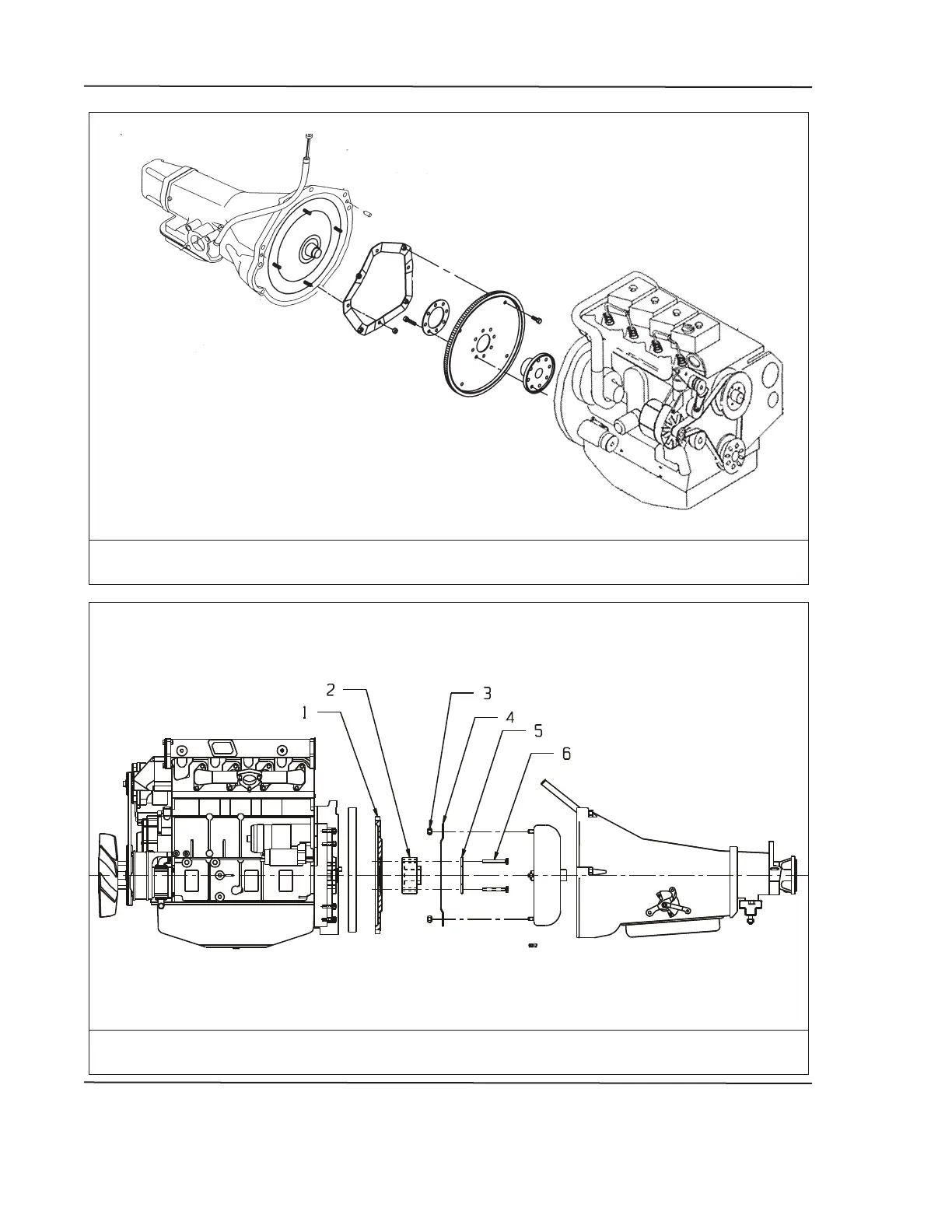
FIGURE 1. ENGINE/C6 TRANSMISSION ASSEMBLY
CUMMINS ILLUSTRATED
FIGURE 2. ENGINE/AT545 INSTALLATION

Table of Contents

Related product manuals